Teknologi semakin mempermelekukan diri ke dalam kehidupan kita dengan pesat. Salah satu teknologi yang mendominasi dalam industri adalah PLC atau Programmable Logic Controller. Meskipun terdengar kompleks, konsep dasar PLC sebenarnya bisa dipahami dengan cukup sederhana. Rangkaian PLC sederhana merupakan fondasi dari banyak proses otomatisasi yang kita temui sehari-hari. Dari mesin industri hingga sistem pengontrolan lift, PLC hadir untuk memudahkan pengendalian dan pemantauan suatu proses. PLC bekerja dengan prinsip input-output, mirip dengan cara otak manusia menerima informasi dari indra dan mengirimkan sinyal untuk melakukan tindakan. Dalam rangkaian sederhana, input dapat berasal dari sensor-sensor seperti saklar atau tombol, sedangkan output berupa tindakan tertentu seperti menghidupkan motor atau lampu. Namun, bagaimana PLC dapat mengubah sinyal input menjadi output yang diinginkan? Jawabannya terletak pada program yang dimuat ke dalam PLC. Melalui bahasa pemrograman yang khas, pengguna dapat menentukan logika yang sesuai untuk mengontrol output berdasarkan kondisi input yang diterima. Dalam pembahasan lebih lanjut, Elektronike.id akan mengulas lebih dalam mengenai komponen-komponen dalam rangkaian PLC, cara kerjanya, serta aplikasi praktisnya dalam berbagai industri. Temukan dunia menarik di balik teknologi ini dan jelajahi potensinya dalam mengubah cara kita berinteraksi dengan mesin dan sistem otomatis. Mari bergabung dalam perjalanan pengetahuan ini untuk memahami lebih dalam tentang teknologi yang mendasari kehidupan modern kita.
Pengertian Rangkaian PLC Sederhana
Rangkaian PLC sederhana adalah sistem kontrol otomatis yang menggunakan unit pemrosesan berbasis mikrokontroler atau komputer kecil yang disebut dengan PLC (Programmable Logic Controller). Rangkaian ini dirancang untuk mengatur dan mengontrol berbagai proses otomatis dalam industri atau sistem lainnya. Dalam konteks ini, “sederhana” merujuk pada kompleksitas dan ukuran rangkaian yang relatif lebih kecil dibandingkan dengan sistem PLC yang lebih canggih dan kompleks.
PLC sederhana seringkali digunakan dalam aplikasi yang memerlukan kontrol sederhana, seperti pengendalian lampu lalu lintas, pengaturan suhu dalam ruangan, atau pengendalian mesin sederhana. Meskipun disebut sederhana, rangkaian ini tetap memiliki kemampuan yang cukup untuk menangani tugas-tugas kontrol yang diperlukan.
Komponen Rangkaian PLC Sederhana
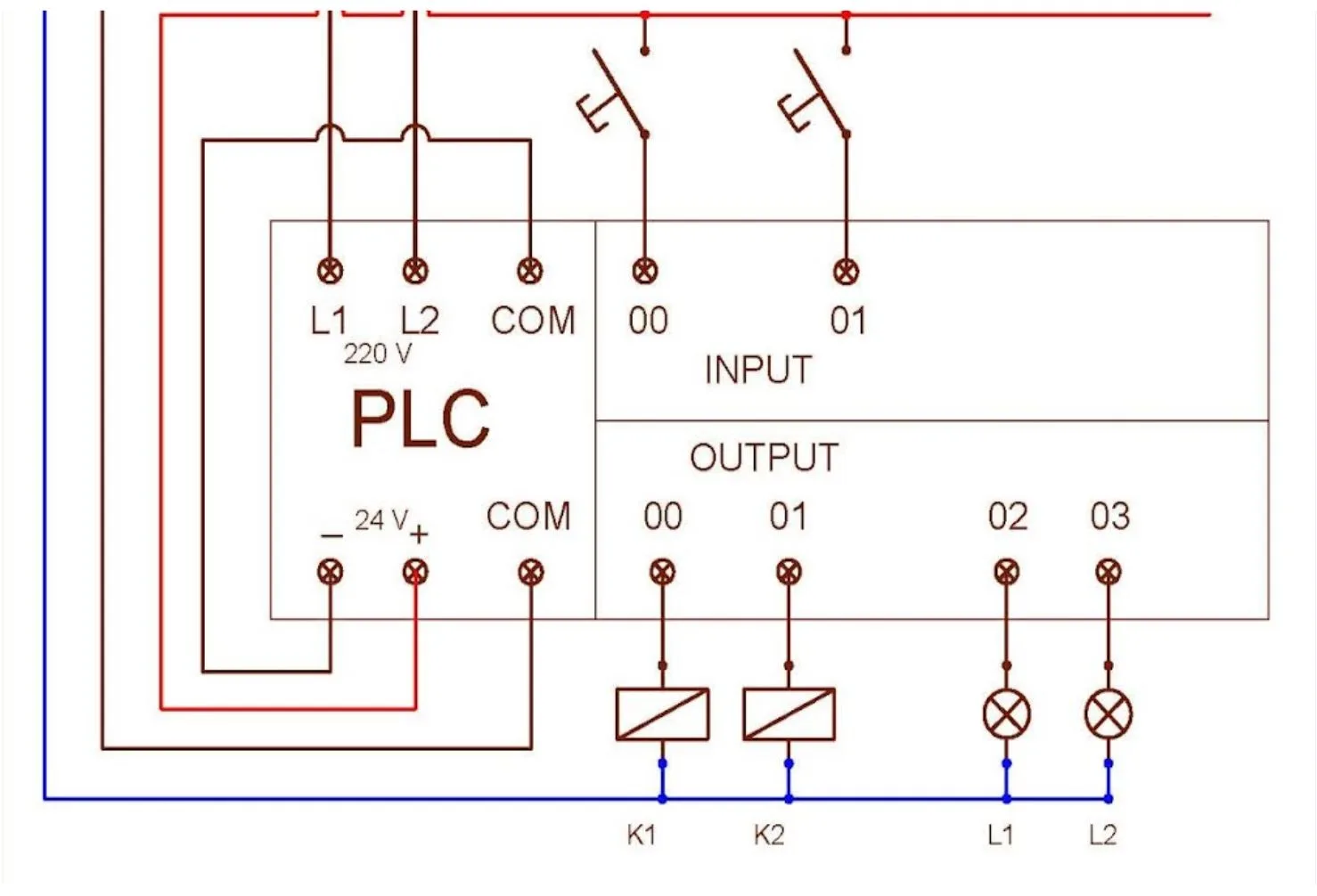
Rangkaian PLC sederhana terdiri dari beberapa komponen utama yang bekerja bersama-sama untuk melakukan fungsi kontrol. Beberapa komponen kunci yang biasanya ditemukan dalam rangkaian PLC sederhana meliputi:
- Input Unit: Komponen ini berfungsi untuk menerima sinyal input dari sensor atau perangkat lainnya. Sinyal ini kemudian dikirim ke unit pemrosesan PLC untuk diproses lebih lanjut. Contoh input unit yang umum digunakan adalah tombol tekan, sakelar, sensor suhu, sensor cahaya, dan sensor gerak.
- Unit Pemrosesan (CPU): Merupakan otak dari rangkaian PLC. Unit pemrosesan ini menerima input dari input unit, memproses informasi tersebut sesuai dengan program yang telah ditentukan, dan kemudian mengirimkan sinyal output ke output unit. CPU biasanya dilengkapi dengan memori untuk menyimpan program kontrol dan data sementara.
- Output Unit: Komponen ini bertanggung jawab untuk menghasilkan sinyal output yang mengontrol perangkat keluaran, seperti motor, lampu, katup, atau perangkat lainnya. Output unit menerima instruksi dari CPU dan mengubahnya menjadi tindakan fisik dalam sistem yang dikontrol.
- Power Supply: Untuk menyediakan daya listrik yang diperlukan untuk operasi PLC dan semua komponennya.
Fungsi Rangkaian PLC Sederhana
Fungsi utama dari rangkaian PLC sederhana adalah untuk mengontrol dan mengatur berbagai proses secara otomatis sesuai dengan program yang telah diprogram sebelumnya. Beberapa fungsi kunci yang dapat dilakukan oleh rangkaian PLC sederhana termasuk:
- Pengendalian On/Off: PLC dapat mengontrol perangkat seperti motor atau lampu dengan mengaktifkan atau menonaktifkan daya listrik sesuai dengan kondisi yang ditentukan.
- Pengaturan Kecepatan: Rangkaian PLC dapat digunakan untuk mengatur kecepatan motor atau perangkat lainnya dengan mengubah sinyal output yang diberikan.
- Pengawasan dan Proteksi: PLC dapat memonitor kondisi sistem menggunakan input dari sensor-sensor yang terhubung. Jika kondisi tertentu tidak normal, PLC dapat memberikan peringatan atau mengambil tindakan korektif sesuai dengan program yang telah ditentukan.
- Logika Pengendalian: PLC dapat menjalankan berbagai fungsi logika, seperti AND, OR, dan NOT, untuk membuat keputusan berdasarkan kondisi input yang diterima.
Prinsip Kerja Rangkaian PLC Sederhana
Prinsip kerja rangkaian PLC sederhana didasarkan pada eksekusi program kontrol yang telah diprogram sebelumnya. Proses ini terjadi dalam beberapa langkah:
- Penerimaan Input: PLC menerima input dari berbagai sensor dan perangkat input lainnya.
- Pemrosesan: CPU dalam PLC memproses input sesuai dengan program yang telah diprogram oleh pengguna. Program ini berisi instruksi-instruksi logika yang menentukan bagaimana PLC harus merespons terhadap kondisi input yang diterima.
- Pengambilan Keputusan: Berdasarkan program yang dijalankan, CPU membuat keputusan tentang tindakan apa yang harus diambil. Misalnya, jika kondisi tertentu terpenuhi, CPU mungkin mengirimkan sinyal output untuk mengaktifkan perangkat keluaran tertentu.
- Pengiriman Output: Setelah keputusan diambil, PLC mengirimkan sinyal output ke perangkat keluaran yang sesuai. Perangkat keluaran kemudian melakukan tindakan yang diperlukan berdasarkan sinyal yang diterima.
Spesifikasi Rangkaian PLC Sederhana
Spesifikasi rangkaian PLC sederhana dapat bervariasi tergantung pada kebutuhan aplikasi tertentu. Namun, ada beberapa spesifikasi umum yang perlu dipertimbangkan saat memilih atau merancang rangkaian PLC sederhana:
- Kapasitas Input/Output (I/O): Ini merujuk pada jumlah maksimum input dan output yang dapat ditangani oleh PLC. Spesifikasi ini harus dipilih sesuai dengan jumlah dan jenis perangkat yang akan dikontrol oleh PLC.
- Kecepatan Pemrosesan: Ini mengacu pada kecepatan dengan mana PLC dapat memproses input dan menghasilkan output. Kecepatan ini penting terutama dalam aplikasi yang memerlukan respons cepat terhadap perubahan kondisi.
- Kapasitas Memori: Memori PLC digunakan untuk menyimpan program kontrol dan data sementara. Kapasitas memori yang lebih besar memungkinkan untuk program yang lebih kompleks dan penyimpanan data yang lebih besar.
- Komunikasi Jaringan: Beberapa PLC dilengkapi dengan kemampuan untuk terhubung ke jaringan komunikasi industri, seperti Modbus atau Ethernet, yang memungkinkan untuk integrasi dengan sistem kontrol yang lebih besar atau monitoring jarak jauh.
- Ketahanan Terhadap Lingkungan: Penting untuk memilih PLC yang tahan terhadap kondisi lingkungan di mana mereka akan dioperasikan. Ini termasuk faktor-faktor seperti suhu, kelembaban, getaran, dan kebisingan.
Tips Sukses pada Pengguna Rangkaian PLC Sederhana
- Pemahaman yang Mendalam tentang Proses: Sebelum mengimplementasikan rangkaian PLC sederhana, penting untuk memiliki pemahaman yang kuat tentang proses yang akan dikontrol. Ini akan membantu dalam merancang program kontrol yang efektif.
- Pemrograman yang Akurat: Program kontrol harus dirancang dan diprogram dengan cermat untuk memastikan bahwa PLC melakukan fungsi yang diinginkan dengan benar. Kecermatan dalam pemrograman akan menghindari kesalahan dan memastikan kinerja yang stabil.
- Pemeliharaan Rutin: Melakukan pemeliharaan rutin pada rangkaian PLC sederhana sangat penting untuk mencegah kerusakan dan menjaga kinerjanya. Ini termasuk pembersihan, pemeriksaan koneksi, dan penggantian komponen yang aus.
- Pemantauan Kinerja: Memantau kinerja PLC secara teratur akan membantu dalam mendeteksi masalah atau anomali sejak dini. Ini memungkinkan untuk mengambil tindakan korektif sebelum masalah menjadi lebih serius.
- Pelatihan Operator: Memastikan bahwa operator yang menggunakan rangkaian PLC memiliki pelatihan yang memadai akan meningkatkan efisiensi dan keamanan operasi. Operator yang terlatih akan lebih mampu mengidentifikasi dan menangani masalah dengan cepat.
Kesimpulan
Rangkaian PLC sederhana adalah solusi yang efektif untuk mengotomatisasi berbagai proses kontrol dalam berbagai aplikasi industri dan non-industri. Dengan menggunakan komponen-komponen dasar seperti input unit, CPU, output unit, dan power supply, PLC dapat memproses informasi, membuat keputusan, dan mengontrol perangkat keluaran sesuai dengan program yang telah diprogram sebelumnya. Untuk mencapai keberhasilan dalam penggunaan rangkaian PLC sederhana, penting untuk memahami prinsip kerjanya, memilih spesifikasi yang sesuai, dan mengikuti tips-tips yang disebutkan sebelumnya. Dengan pendekatan yang tepat, PLC sederhana dapat meningkatkan efisiensi, keandalan, dan keamanan dalam berbagai sistem otomatisasi.


