Di dunia yang terus bergerak dengan laju yang semakin cepat, pengendalian waktu menjadi esensi yang tak terbantahkan. Dari proses manufaktur hingga sistem otomatisasi rumah tangga, penggunaan timer delay telah menjadi elemen vital dalam memastikan bahwa tugas-tugas terjadi pada waktu yang tepat dan sesuai dengan rencana. Rangkaian timer delay adalah solusi teknologi yang memberikan kemampuan untuk mengatur jeda waktu antara sinyal input dan output, memberikan kendali yang teliti terhadap sejumlah besar perangkat dan proses. Ini tidak hanya meningkatkan efisiensi operasional tetapi juga mengurangi risiko kegagalan atau kecelakaan karena penundaan yang tidak diinginkan. Dalam pembahasan ini, Elektronike.id akan menyelami kedalaman rangkaian timer delay, dari prinsip dasar operasinya hingga aplikasi praktis di berbagai industri. Anda akan memahami bagaimana komponen-komponen dasar bekerja bersama untuk menciptakan jeda waktu yang tepat, serta bagaimana teknologi ini terus berkembang untuk memenuhi tuntutan zaman yang terus berubah. Kami mengundang Anda untuk bergabung dalam perjalanan ini untuk mengeksplorasi keajaiban dan manfaat dari timer delay. Mari kita temukan bagaimana teknologi ini dapat mengubah cara kita berinteraksi dengan waktu, meningkatkan efisiensi, dan mengoptimalkan kinerja di berbagai bidang. Bersiaplah untuk merasakan revolusi kontrol waktu yang mendalam dan bergabunglah dengan kami untuk menyelami dunia yang penuh dengan kemungkinan ini!
Pengertian Rangkaian Timer Delay
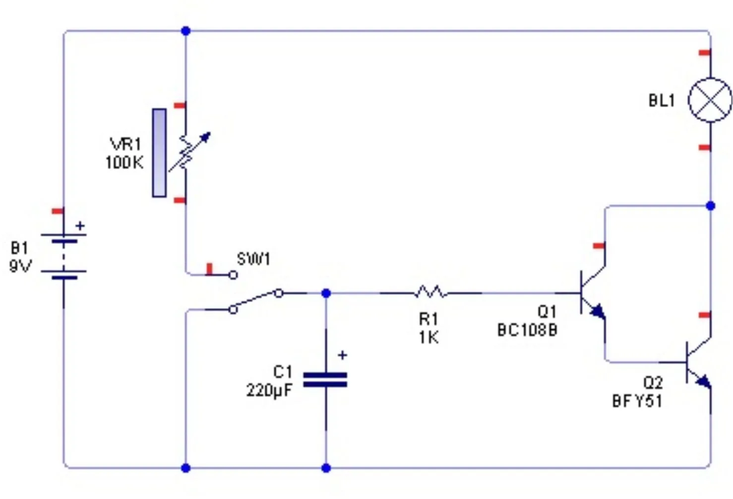
Rangkaian timer delay adalah suatu perangkat elektronik yang digunakan untuk mengatur waktu tertentu sebelum memberikan output atau sinyal tertentu. Dalam konteks ini, Timer delay sangat penting karena mencerminkan inti dari topik yang dibahas. Rangkaian ini biasanya digunakan dalam berbagai sistem kontrol otomatis, baik di industri maupun aplikasi rumahan. Timer delay bekerja dengan cara mengatur penundaan waktu sebelum mengaktifkan atau mematikan suatu perangkat atau sistem. Ini berguna dalam situasi di mana pengguna memerlukan waktu tertentu sebelum tindakan atau respons dilakukan. Misalnya, dalam sistem pencahayaan otomatis, timer delay dapat digunakan untuk memberi waktu bagi sensor cahaya untuk mendeteksi kegelapan sebelum menyalakan lampu.
Fungsi Rangkaian Timer Delay
Fungsi utama dari rangkaian timer delay adalah mengatur waktu penundaan antara input yang diterima dan output yang dihasilkan. Kata kunci “rangkaian timer delay” secara langsung berkaitan dengan tujuan dan fungsi perangkat ini. Beberapa fungsi umum dari timer delay meliputi:
- Kontrol Proses Otomatis: timer delay digunakan dalam sistem kontrol otomatis untuk memberikan waktu penundaan sebelum melakukan tindakan berikutnya, seperti mengaktifkan motor atau mematikan pompa.
- Penghematan Energi: Dengan menggunakan timer delay, pengguna dapat mengatur waktu tertentu sebelum suatu perangkat atau sistem aktif, mengurangi pemborosan energi saat tidak diperlukan.
- Proteksi Perangkat: Timer delay juga digunakan sebagai proteksi untuk mencegah kerusakan pada perangkat atau sistem akibat pengaktifan yang terlalu cepat atau terlalu sering.
Prinsip Kerja Rangkaian Timer Delay
Rangkaian timer delay bekerja berdasarkan prinsip dasar elektronika dan pengaturan waktu. Penting untuk dipertahankan dalam pembahasan ini untuk menjaga konsistensi dan relevansi. Prinsip kerja umum dari timer delay melibatkan komponen-komponen seperti resistor, kapasitor, transistor, dan serangkaian logika.
- Penyimpanan Energi: Kapasitor digunakan dalam rangkaian untuk menyimpan energi. Saat rangkaian diberi daya, kapasitor mengumpulkan muatan.
- Waktu Penundaan: Besarnya waktu penundaan ditentukan oleh nilai resistor dan kapasitor dalam rangkaian. Semakin besar nilai resistor atau kapasitor, semakin lama waktu penundaannya.
- Pemicu dan Output: Sinyal input memicu rangkaian untuk mulai menghitung waktu penundaan. Setelah waktu yang ditentukan berlalu, rangkaian memberikan output atau sinyal sesuai dengan konfigurasi yang diatur.
Jenis-Jenis Timer Delay
Timer delay adalah salah satu komponen penting dalam elektronika yang digunakan untuk mengatur waktu dalam suatu sistem atau perangkat. Jenis-jenis timer delay dapat dibagi berdasarkan berbagai kriteria, seperti sumber daya yang digunakan, metode operasinya, dan aplikasi spesifik. Berikut adalah beberapa jenis timer delay umum:
- Timer Delay Mekanis: Timer delay mekanis menggunakan perangkat mekanis seperti roda gigi, pegas, atau saklar untuk mengatur waktu delay. Mereka sering digunakan dalam perangkat seperti jam alarm atau oven.
- Timer Delay Elektronik: Timer delay elektronik menggunakan komponen semikonduktor seperti kapasitor, resistor, dan IC (Integrated Circuit) untuk menghasilkan waktu delay yang diinginkan. Mereka lebih fleksibel dalam pengaturan waktu dan biasanya lebih akurat dibandingkan dengan timer mekanis.
- Timer Delay Digital: Timer delay digital menggunakan sinyal digital dan logika untuk menghasilkan waktu delay. Mereka sering digunakan dalam sistem kontrol otomatis, mikrokontroler, atau perangkat digital lainnya.
- Timer Delay Analog: Timer delay analog menggunakan komponen elektronik analog seperti transistor, dioda, dan kapasitor untuk menghasilkan waktu delay. Mereka sering digunakan dalam aplikasi di mana kontrol waktu yang sangat tepat tidak diperlukan.
- Timer Delay Monostable: Timer delay monostable menghasilkan satu output impuls dengan durasi yang ditentukan ketika input diaktifkan. Mereka sering digunakan dalam rangkaian deteksi gerakan, pengaturan waktu, atau dalam rangkaian pelindung.
- Timer Delay Astable: Timer delay astable menghasilkan sinyal output berulang dalam bentuk gelombang dengan periode tertentu. Mereka sering digunakan dalam aplikasi seperti pembangkit sinyal clock, pembangkit pulsa, atau pengaturan frekuensi.
- Timer Delay On-Delay: Timer delay on-delay menghasilkan output setelah input aktif selama periode delay yang ditentukan. Mereka sering digunakan dalam sistem otomatisasi industri untuk mengatur jeda waktu antara dua peristiwa.
- Timer Delay Off-Delay: Timer delay off-delay menghasilkan output setelah input tidak aktif selama periode delay yang ditentukan. Mereka sering digunakan dalam sistem pengendalian untuk mempertahankan keluaran dalam keadaan tertentu setelah input telah berubah.
- Timer Delay Retentive: Timer delay retentive, atau timer delay memori, menyimpan waktu delay yang tersisa bahkan setelah input telah kembali mati. Mereka berguna dalam situasi di mana penting untuk mempertahankan waktu delay bahkan setelah kehilangan daya.
- Timer Delay Resettable: Timer delay resettable dapat diatur ulang ke waktu delay awalnya setelah output telah dihasilkan. Mereka memberikan fleksibilitas dalam pengaturan ulang sistem atau perangkat setelah periode delay selesai.
Pemilihan jenis timer delay yang tepat tergantung pada kebutuhan aplikasi spesifik, seperti akurasi waktu, durasi delay, dan lingkungan operasional.
Jenis-Jenis Rangkaian Timer Delay yang Digunakan pada Sistem Kontrol Industri
Di dalam industri, penggunaan rangkaian timer delay sangat luas dan memiliki beberapa variasi tergantung pada kebutuhan sistem kontrol.
- PLC-Based Timer Delay: Dalam sistem kontrol industri modern, timer delay sering kali diimplementasikan menggunakan PLC (Programmable Logic Controller). Ini memberikan fleksibilitas dan kontrol yang tinggi dalam mengatur waktu penundaan untuk berbagai proses.
- Timer Delay pada Sistem Pneumatik dan Hidrolik: Dalam sistem kontrol yang menggunakan sumber daya pneumatik atau hidrolik, timer delay digunakan untuk mengatur waktu antara aktuasi katup atau silinder untuk memastikan operasi yang tepat dan aman.
- Timer Delay dalam Proses Manufaktur: Dalam lingkungan manufaktur, timer delay digunakan dalam berbagai aplikasi, mulai dari pengendalian mesin hingga pengaturan waktu antara langkah-langkah dalam proses produksi.
Kelebihan dan Kekurangan
Seperti halnya dengan setiap perangkat elektronik, rangkaian timer delay memiliki kelebihan dan kelemahan yang perlu dipertimbangkan sebelum digunakan dalam suatu aplikasi.
Kelebihan:
-
- Kontrol Waktu: Memberikan kontrol yang akurat atas waktu penundaan antara input dan output.
- Automatisasi: Memungkinkan otomatisasi proses dengan memberikan penundaan yang tepat.
- Proteksi Perangkat: Dapat digunakan untuk melindungi perangkat dari kerusakan akibat pengaktifan yang terlalu cepat.
Kekurangan:
-
- Keterbatasan Fleksibilitas: Beberapa jenis rangkaian timer delay mungkin memiliki keterbatasan dalam hal fleksibilitas waktu.
- Kemungkinan Kegagalan: Seperti semua perangkat elektronik, ada kemungkinan kegagalan yang perlu dipertimbangkan.
- Pengaturan yang Rumit: Untuk aplikasi yang kompleks, pengaturan dan konfigurasi timer delay dapat menjadi rumit.
Kesimpulan
Dalam dunia kontrol otomatis dan elektronika, rangkaian timer delay memainkan peran yang penting dalam memberikan penundaan waktu yang diperlukan antara input dan output. Artikel ini telah membahas pengertian, fungsi, prinsip kerja, jenis-jenis, penerapan dalam sistem kontrol industri, serta kelebihan dan kekurangan dari rangkaian timer delay. Pembaca dapat dengan mudah menemukan informasi yang relevan dan berguna tentang topik ini. Penting untuk memilih dan mengonfigurasi rangkaian timer delay dengan hati-hati sesuai dengan kebutuhan spesifik aplikasi untuk mencapai hasil yang optimal.


