Apakah Anda pernah memikirkan bagaimana air bisa mengalir begitu lancar dari keran di rumah Anda? Atau bagaimana air bisa sampai ke lumbung atau kebun Anda dengan begitu mudah? Jawabannya ada pada sebuah teknologi yang mungkin seringkali terlupakan: rangkaian pompa air. Meskipun tersembunyi di balik dinding atau bahkan di bawah tanah, rangkaian pompa air memainkan peran yang sangat penting dalam mendukung kehidupan sehari-hari kita. Rangkaian pompa air adalah sistem yang kompleks namun sangat vital dalam memompa air dari satu tempat ke tempat lainnya. Dari penggunaan rumah tangga hingga aplikasi industri, pompa air menjadi tulang punggung infrastruktur air modern. Dalam artikel ini, Elektronike.id akan membongkar rahasia di balik prinsip kerja rangkaian pompa air. Anda akan menemukan bagaimana motor listrik, impeller, dan komponen lainnya bekerja secara sinergis untuk menghasilkan aliran air yang stabil dan dapat diandalkan. Kami akan menjelajahi berbagai jenis pompa air, mulai dari pompa sentrifugal hingga pompa submersible, dan bagaimana masing-masing cocok untuk aplikasi yang berbeda. Mari bergabung dalam perjalanan kami untuk menyelami lebih dalam tentang teknologi yang mungkin sering diabaikan namun sangat penting ini. Saksikanlah bagaimana sebuah pompa air sederhana dapat membawa manfaat yang besar dalam kehidupan kita sehari-hari. Ikuti artikel kami selanjutnya untuk memahami lebih dalam tentang karya teknologi yang mendukung kesejahteraan kita semua.
Sekilas Mengenal Rangkaian Pompa Air
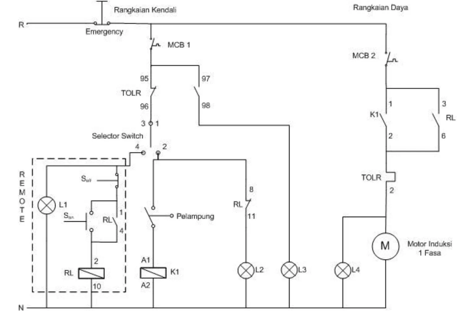
Rangkaian pompa air merupakan suatu sistem yang dirancang untuk mengalirkan air dari satu tempat ke tempat lain dengan menggunakan pompa sebagai perangkat utamanya. Pompa air adalah alat yang sangat penting dalam berbagai aplikasi, baik itu untuk keperluan rumah tangga, pertanian, industri, maupun proyek konstruksi. Dengan adanya rangkaian pompa air, proses pengaliran air dapat dilakukan secara efisien dan cepat.
Daftar Komponen Rangkaian Pompa Air
Ada beberapa komponen penting yang membentuk rangkaian pompa air. Berikut adalah daftar beberapa komponen utama yang harus dipahami:
- Pompa: Merupakan komponen utama yang bertugas menghisap air dari sumbernya dan mendorongnya ke tempat yang dituju.
- Motor: Motor berfungsi sebagai sumber tenaga untuk menggerakkan pompa. Motor ini dapat menggunakan listrik, mesin bensin, atau tenaga lainnya tergantung pada jenis pompa yang digunakan.
- Saluran Pipa: Pipa-pipa ini menghubungkan pompa dengan sumber air dan tujuan penggunaan air. Pipa harus dipilih dengan baik agar tidak menghambat aliran air.
- Katup: Katup-katup ini berperan dalam mengatur aliran air. Ada katup hisap dan katup dorong yang membantu mengatur arah aliran air.
- Filter: Filter digunakan untuk menyaring kotoran atau partikel yang ada dalam air sehingga air yang dipompa bersih dan aman untuk digunakan.
Prinsip Kerja Rangkaian Pompa Air
Prinsip kerja rangkaian pompa air biasanya melibatkan beberapa komponen utama, terutama pada pompa air listrik. Berikut adalah penjelasan singkat tentang prinsip kerja umumnya:
- Motor Listrik: Motor listrik adalah bagian utama dari pompa air. Ini adalah sumber daya yang digunakan untuk menggerakkan impeller atau rotor dalam pompa.
- Impeller: Impeller adalah komponen berputar dalam pompa air yang bertanggung jawab untuk menarik air dan mendorongnya ke luar. Impeller ini biasanya memiliki sudut-sudut yang dirancang untuk meningkatkan efisiensi pemompaan.
- Kepala Pompa: Kepala pompa adalah bagian yang berisi impeller dan mekanisme penarikan air. Air ditarik masuk oleh impeller, kemudian dipaksa keluar melalui kepala pompa menuju saluran keluar.
- Saluran Masuk dan Keluar: Saluran masuk adalah tempat air masuk ke pompa, sedangkan saluran keluar adalah tempat air keluar dari pompa. Dalam pompa sentrifugal, saluran masuk biasanya berada di tengah-tengah impeller, sedangkan saluran keluar terletak di sekitar impeller.
- Seal atau Karet Penutup: Ini adalah bagian yang mengisolasi ruang motor listrik dari ruang impeller dan air. Seal atau karet penutup ini penting untuk mencegah air masuk dan merusak motor listrik.
- Switch Otomatis: Pada beberapa pompa air, terutama yang digunakan untuk sistem air otomatis, ada switch otomatis yang mengontrol kapan pompa harus menyala dan mati berdasarkan level air dalam tangki.
- Sistem Pengendalian: Beberapa pompa air dilengkapi dengan sistem pengendalian yang dapat memonitor tekanan, volume air, atau level air, dan mengatur pompa sesuai kebutuhan.
Prinsip kerja umumnya adalah motor listrik memutar impeller, yang kemudian menarik air melalui saluran masuk dan memaksa air keluar melalui saluran keluar. Dalam pompa sentrifugal, gaya sentrifugal dihasilkan oleh impeller yang berputar, menyebabkan air disedot ke tengah impeller dan kemudian dipaksa keluar dengan kecepatan tinggi.
Alat & Bahan untuk Membuat Rangkaian Pompa Air
Untuk membuat rangkaian pompa air, Anda memerlukan beberapa alat dan bahan yang diperlukan. Berikut adalah beberapa di antaranya:
- Pompa Air: Pilihlah pompa air yang sesuai dengan kebutuhan Anda, baik itu pompa celup, pompa sentrifugal, atau jenis lainnya.
- Motor: Sesuaikan motor dengan kebutuhan daya pompa air yang Anda miliki.
- Pipa dan Fitting: Pilihlah pipa dan fitting yang sesuai dengan diameter dan jenis pompa yang Anda gunakan.
- Katup: Pastikan Anda memiliki katup hisap dan katup dorong yang berkualitas untuk mengatur aliran air dengan baik.
- Filter: Sediakan filter yang tepat agar air yang dipompa bersih dan bebas dari kotoran.
- Alat Pemasangan: Seperti kunci pipa, klem, dan alat-alat lain yang diperlukan untuk merakit pompa air.
Cara Membuat Rangkaian Pompa Air
Berikut adalah langkah-langkah umum untuk membuat rangkaian pompa air:
- Persiapan: Pastikan semua komponen dan peralatan yang diperlukan telah tersedia.
- Pemasangan Pompa: Pasang pompa pada tempat yang tepat, pastikan pompa terhubung dengan motor dengan benar.
- Pemasangan Pipa: Hubungkan pipa hisap pompa dengan sumber air dan pipa dorong dengan tempat tujuan penggunaan air.
- Pemasangan Katup: Pasang katup hisap dan katup dorong untuk mengatur aliran air sesuai kebutuhan.
- Pemasangan Filter: Pasang filter pada pipa hisap untuk menyaring kotoran dalam air.
- Pengujian: Setelah semua terpasang, lakukan pengujian untuk memastikan pompa air berfungsi dengan baik dan tidak ada kebocoran atau masalah lainnya.
- Perbaikan dan Penyesuaian: Jika ditemukan masalah atau kekurangan, lakukan perbaikan dan penyesuaian sesuai kebutuhan.
Tips Penting pada Pengguna Rangkaian Pompa Air
Agar rangkaian pompa air dapat berfungsi secara optimal dan tahan lama, ada beberapa tips penting yang perlu diperhatikan:
- Perawatan Rutin: Lakukan perawatan rutin terhadap pompa, motor, dan komponen lainnya untuk mencegah kerusakan dan memperpanjang umur pakai.
- Pemilihan Pompa yang Tepat: Pilihlah pompa yang sesuai dengan kebutuhan air Anda agar tidak terjadi pemborosan energi atau kerusakan pada pompa.
- Pemasangan yang Benar: Pastikan pompa air dipasang dengan benar dan sesuai dengan petunjuk penggunaan untuk menghindari masalah teknis di kemudian hari.
- Pemantauan Reguler: Pantau secara teratur kinerja pompa air untuk mendeteksi masalah sejak dini dan mencegah kerusakan lebih lanjut.
- Perlindungan terhadap Gangguan: Pasanglah sistem perlindungan seperti proteksi overcurrent atau pengaman tekanan untuk menghindari kerusakan akibat gangguan listrik atau tekanan yang berlebihan.
Kesimpulan
Rangkaian pompa air adalah solusi yang efisien dan efektif untuk mengalirkan air dari satu tempat ke tempat lain. Dengan pemahaman yang baik tentang komponen, prinsip kerja, dan cara membuat serta mengoperasikan pompa air, Anda dapat memastikan pasokan air yang stabil dan berkelanjutan untuk berbagai keperluan Anda. Pastikan untuk memilih komponen yang berkualitas dan melakukan perawatan secara rutin agar rangkaian pompa air dapat berfungsi dengan baik dalam jangka waktu yang lama.


