Di balik keterampilan listrik yang rumit, terdapat rangkaian yang tak terlihat namun berperan vital dalam menjalankan banyak mesin industri: Rangkaian DOL 3 Fasa. Meskipun mungkin terdengar asing bagi sebagian, pemahaman akan konsep dan fungsi rangkaian ini krusial untuk mengoperasikan mesin 3 fase dengan efisien dan aman. Rangkaian DOL (Direct-On-Line) 3 Fasa adalah salah satu metode starting motor yang paling umum digunakan dalam industri. Metode ini memungkinkan motor untuk memulai putaran langsung tanpa memerlukan komponen kontrol tambahan yang rumit. Namun, di balik kesederhanaannya, terdapat prinsip-prinsip teknis yang perlu dipahami dengan baik. Melalui pembahasan mendalam tentang rangkaian DOL 3 Fasa, Elektronike.id akan menjelajahi bagaimana sistem ini bekerja, komponen-komponen utamanya, serta aplikasi praktisnya dalam berbagai industri. Dari pemahaman tentang hubungan antara fasa-fasa listrik hingga penerapan dalam lingkungan industri yang riil, kita akan memperoleh wawasan yang lebih mendalam tentang teknologi esensial ini. Mari bergabung dalam perjalanan kami untuk memecahkan misteri di balik rangkaian DOL 3 Fasa. Dengan menyimak pembahasan lebih lanjut, Anda akan memiliki kesempatan untuk memperluas pengetahuan Anda dalam dunia listrik dan teknologi, serta memahami peran penting yang dimainkan oleh rangkaian ini dalam menjaga roda industri berputar. Jangan lewatkan kesempatan ini untuk memperkaya wawasan Anda. Ayo kita mulai!
Pengertian Rangkaian DOL 3 Fasa
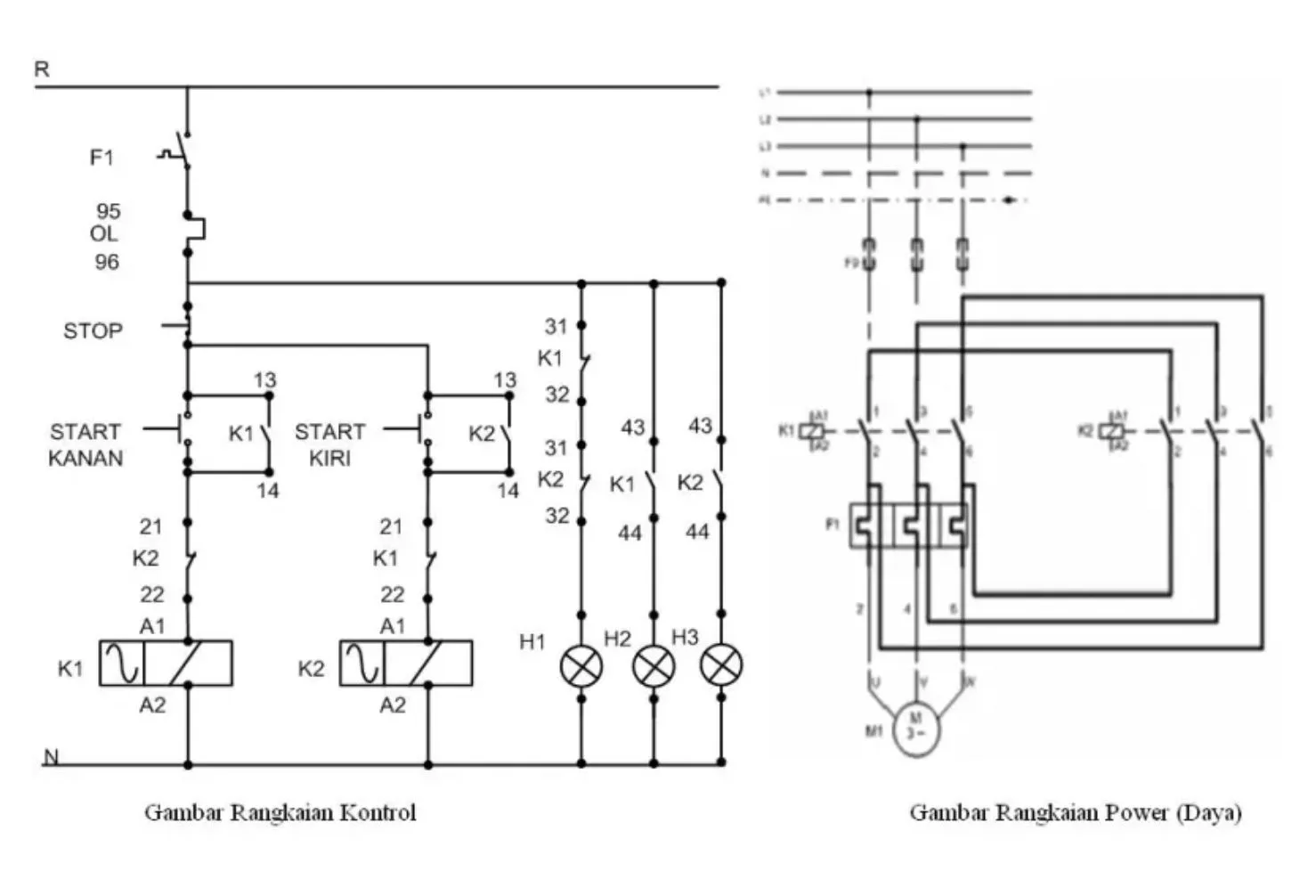
Rangkaian DOL 3 Fasa atau Direct-On-Line 3 Fasa adalah salah satu jenis rangkaian kontrol motor listrik yang paling umum digunakan di berbagai industri. Rangkaian ini digunakan untuk menghidupkan motor listrik secara langsung tanpa menggunakan perangkat tambahan seperti starter.
Rangkaian DOL 3 Fasa terdiri dari beberapa komponen dasar yang bekerja sama untuk mengontrol operasi motor listrik dengan efisien. Dalam artikel ini, kita akan menjelajahi lebih lanjut tentang pengertian, prinsip kerja, komponen, manfaat, tips praktis, serta kelebihan dan kekurangan dari rangkaian DOL 3 Fasa.
Prinsip Kerja DOL 3 Fasa
Rangkaian DOL (Direct-On-Line) 3 fase adalah jenis rangkaian kontrol motor listrik yang umum digunakan untuk mengoperasikan motor listrik tiga fase secara langsung dari sumber daya listrik tanpa menggunakan perangkat kontrol tambahan seperti starter motor. Prinsip kerja rangkaian DOL 3 fase adalah sebagai berikut:
- Fase: Rangkaian DOL 3 fase memerlukan tiga fase listrik untuk mengoperasikan motor secara efektif. Ini biasanya disediakan oleh jaringan listrik tiga fase.
- Kontaktor: Kontaktor adalah perangkat utama dalam rangkaian DOL. Ini adalah saklar elektromagnetik yang mengontrol aliran listrik ke motor. Ketika kontaktor diaktifkan, kontak-kontak di dalamnya tertutup, memungkinkan arus listrik mengalir ke motor.
- Push Button atau Switch: Sistem DOL biasanya dilengkapi dengan tombol tekan atau saklar untuk mengaktifkan dan mematikan motor. Ketika tombol tekan ditekan, kontakor diaktifkan, dan motor mulai berputar.
- Proteksi Overload: Beberapa rangkaian DOL dilengkapi dengan proteksi overload untuk melindungi motor dari kerusakan akibat beban berlebihan atau gangguan lainnya. Proteksi ini biasanya berupa relay termal yang mendeteksi lonjakan arus yang tidak normal dan memutuskan sirkuit jika terjadi kondisi berbahaya.
- Tidak ada Kendali Kecepatan: Rangkaian DOL tidak menyediakan kontrol kecepatan motor. Motor beroperasi pada kecepatan tetap sesuai dengan spesifikasi motor itu sendiri dan tegangan yang diberikan.
Prinsip kerja rangkaian DOL 3 fase sederhana dan efektif, namun memiliki keterbatasan dalam hal kontrol kecepatan dan perlindungan motor. Meskipun demikian, rangkaian ini masih banyak digunakan dalam aplikasi di mana kontrol kecepatan tidak diperlukan, dan di mana motor mampu menangani beban awal yang tinggi tanpa memerlukan peningkatan arus secara bertahap.
Komponen DOL 3 Fasa
DOL 3 Fasa terdiri dari beberapa komponen utama yang bekerja bersama untuk mengatur operasi motor listrik. Beberapa komponen utama tersebut meliputi:
- Saklar atau Tombol Penghidup Motor: Komponen ini berfungsi sebagai saklar atau tombol yang digunakan untuk menghidupkan atau mematikan motor listrik.
- Kontaktor: Merupakan komponen utama dalam DOL 3 Fasa yang berfungsi untuk mengendalikan aliran daya listrik ke motor. Kontaktor akan membuka dan menutup sirkuit daya sesuai dengan instruksi dari saklar penghidup motor.
- Thermal Overload Relay: Komponen ini bertugas melindungi motor listrik dari lonjakan arus yang berlebihan yang dapat menyebabkan overheating. Ketika arus yang melewati motor melebihi batas yang ditentukan, relay ini akan memutus sirkuit daya, melindungi motor dari kerusakan.
- Fuse atau Sekering: Berfungsi sebagai pengaman tambahan dalam DOL 3 Fasa untuk mencegah terjadinya korsleting atau hubung singkat yang dapat merusak motor listrik.
Manfaat Penggunaan Rangkaian DOL 3 Fasa
Penggunaan rangkaian DOL 3 Fasa memiliki beberapa manfaat yang signifikan dalam aplikasi industri, antara lain:
- Sederhana dan Ekonomis: Rangkaian DOL 3 Fasa relatif mudah dirancang dan dipasang, sehingga biaya implementasinya lebih rendah dibandingkan dengan beberapa metode kontrol motor listrik lainnya.
- Torsi Awal yang Tinggi: DOL 3 Fasa memberikan torsi awal yang tinggi, membuatnya ideal untuk aplikasi yang memerlukan percepatan motor yang cepat.
- Tidak Memerlukan Perawatan yang Rumit: Karena sederhana dalam konstruksi dan operasi, rangkaian DOL 3 Fasa tidak memerlukan perawatan yang rumit, sehingga mengurangi biaya perawatan jangka panjang.
- Cocok untuk Beban Ringan: Cocok digunakan pada aplikasi dengan beban yang relatif ringan, di mana tidak diperlukan kontrol kecepatan yang canggih.
Tips Praktis dalam Merancang dan Mengoperasikan Rangkaian DOL 3 Fasa
Merancang dan mengoperasikan rangkaian DOL 3 Fasa dengan baik dapat meningkatkan efisiensi dan umur motor listrik, serta mengurangi risiko kegagalan operasional. Berikut adalah beberapa tips praktis yang dapat dipertimbangkan:
- Pilih Komponen Berkualitas: Pastikan untuk menggunakan komponen berkualitas tinggi dalam merancang rangkaian DOL 3 Fasa. Hal ini akan membantu dalam memastikan kinerja yang stabil dan reliabilitas yang tinggi.
- Perhatikan Kapasitas Motor: Pastikan kapasitas DOL 3 Fasa sesuai dengan kapasitas motor yang akan dikendalikan. Menggunakan rangkaian yang tidak sesuai dapat menyebabkan kerusakan pada motor dan komponen lainnya.
- Lakukan Pemeliharaan Rutin: Meskipun DOL 3 Fasa tidak memerlukan perawatan yang rumit, melakukan pemeliharaan rutin seperti pemeriksaan visual dan penggantian komponen yang aus secara berkala dapat membantu mencegah kegagalan operasional yang tidak terduga.
- Pahami Batas Kapasitas: Hindari mengoperasikan motor listrik pada beban yang melebihi batas kapasitasnya. Hal ini dapat menyebabkan penurunan umur motor dan meningkatkan risiko kegagalan operasional.
Kelebihan dan Kekurangan
Seperti halnya setiap sistem, DOL 3 Fasa memiliki kelebihan dan kekurangan yang perlu dipertimbangkan sebelum implementasi. Berikut adalah beberapa di antaranya:
Kelebihan:
- Sederhana dalam desain dan operasi.
- Biaya implementasi relatif rendah.
- Cocok untuk aplikasi dengan beban ringan.
- Torsi awal yang tinggi.
Kekurangan:
- Lonjakan arus pada awal operasi dapat mempengaruhi umur motor.
- Tidak cocok untuk aplikasi yang memerlukan kontrol kecepatan yang presisi.
- Menghasilkan getaran dan kebisingan yang lebih tinggi dibandingkan dengan metode kontrol lainnya.
Kesimpulan
Rangkaian DOL 3 Fasa adalah salah satu metode yang paling umum digunakan dalam mengontrol motor listrik di berbagai industri. Meskipun sederhana dalam desain dan operasi, rangkaian ini menawarkan sejumlah manfaat yang signifikan seperti biaya implementasi rendah dan torsi awal yang tinggi. Namun, perlu dipertimbangkan juga kekurangan-kekurangan yang dimilikinya seperti lonjakan arus pada awal operasi. Dengan memahami prinsip kerja, komponen-komponen, manfaat, serta tips praktis dalam merancang dan mengoperasikan DOL 3 Fasa, diharapkan dapat membantu dalam meningkatkan efisiensi dan keandalan operasi motor listrik.


