Dalam dunia elektronika, khususnya dalam pengembangan sistem otomatisasi dan kontrol, konsep rangkaian kontrol berurutan memegang peranan sentral yang tidak bisa diabaikan. Rangkaian ini menjadi tulang punggung dalam memastikan urutan tindakan yang tepat dilakukan oleh sebuah sistem otomatis, memungkinkan untuk keberhasilan fungsi-fungsi kritis seperti dalam industri manufaktur, otomatisasi rumah pintar, dan bahkan dalam kendaraan otonom. Pada dasarnya, rangkaian kontrol berurutan mengatur langkah-langkah yang harus diambil berdasarkan kondisi yang terdeteksi atau parameter yang ditetapkan sebelumnya. Dengan kata lain, ia memastikan bahwa suatu tindakan hanya diambil setelah syarat yang telah ditentukan terpenuhi. Contohnya, dalam sistem pengaturan suhu ruangan, rangkaian kontrol berurutan dapat mengatur urutan: “Jika suhu > 25°C, aktifkan pendingin udara; jika suhu < 20°C, aktifkan pemanas; jika tidak, biarkan sistem dalam keadaan stand-by.” Memahami lebih dalam tentang konsep ini tidak hanya relevan bagi para profesional di bidang teknik, tetapi juga bagi siapa saja yang tertarik untuk menggali lebih dalam tentang bagaimana teknologi memungkinkan otomatisasi yang cerdas dalam kehidupan sehari-hari. Mari kita bersama-sama menjelajahi aspek-aspek esensial dari rangkaian kontrol berurutan dalam artikel ini. Dari prinsip-prinsip dasarnya hingga aplikasi praktis dalam berbagai industri, Elektronike.id akan membahasnya secara menyeluruh untuk memperoleh pemahaman yang lebih dalam tentang bagaimana teknologi ini membentuk dunia di sekitar kita. Jangan lewatkan kesempatan untuk mengeksplorasi lebih jauh tentang fondasi kritis dalam dunia elektronika ini. Ikuti terus pembahasan kami untuk memperoleh wawasan yang mendalam dan menginspirasi.
Mengenal Rangkaian Kontrol Berurutan
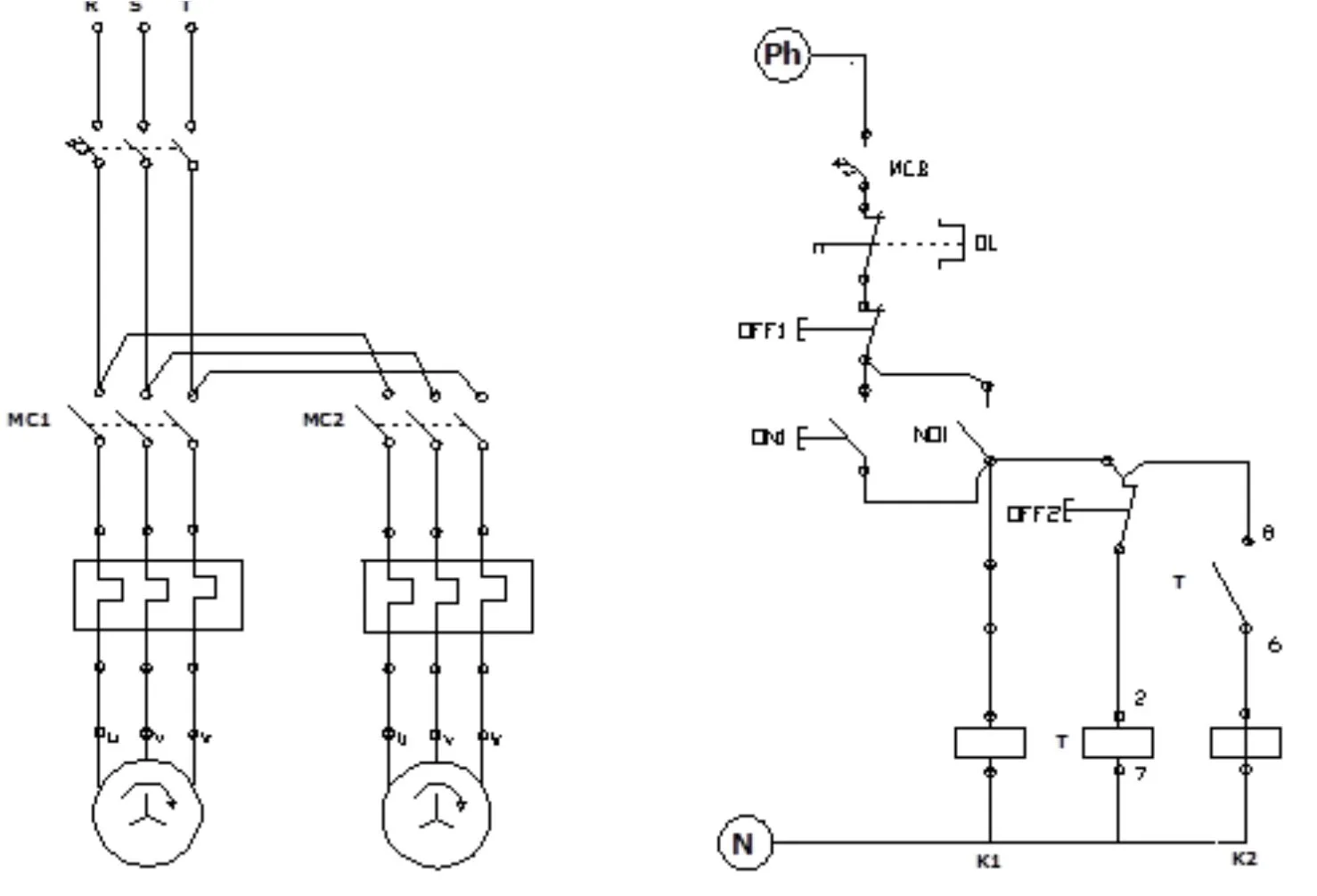
Rangkaian kontrol berurutan adalah salah satu metode yang digunakan dalam dunia teknik untuk mengatur urutan kerja suatu sistem secara otomatis. Istilah “berurutan” dalam rangkaian kontrol ini mengacu pada langkah-langkah atau tindakan yang dijalankan sesuai dengan urutan tertentu, tanpa memerlukan campur tangan manusia setiap langkahnya.
Rangkaian ini sering digunakan dalam berbagai aplikasi, mulai dari industri manufaktur hingga sistem pengendalian otomatis pada kendaraan dan peralatan rumah tangga. Prinsip kerja dari rangkaian kontrol berurutan ini sangatlah penting untuk dipahami, terutama bagi para teknisi dan insinyur yang terlibat dalam pengembangan sistem otomatis.
Prinsip Kerja Kontrol Berurutan
Prinsip kerja kontrol berurutan melibatkan serangkaian langkah-langkah atau tindakan yang diambil secara berurutan untuk mencapai tujuan tertentu. Berikut adalah beberapa prinsip kerja umum dari kontrol berurutan:
- Identifikasi Tujuan: Langkah pertama dalam prinsip kerja kontrol berurutan adalah mengidentifikasi tujuan atau hasil akhir yang ingin dicapai. Ini mungkin mencakup pencapaian suatu kondisi, pemrosesan suatu masukan, atau pelaksanaan serangkaian tugas.
- Pengaturan Langkah-langkah: Setelah tujuan telah diidentifikasi, langkah-langkah atau tindakan yang diperlukan untuk mencapai tujuan tersebut ditentukan. Setiap langkah harus diatur dalam urutan yang logis dan ketergantungan antarlangkah harus diperhitungkan.
- Eksekusi Berurutan: Langkah-langkah yang telah ditentukan dieksekusi secara berurutan, mulai dari langkah awal hingga mencapai tujuan akhir. Ini berarti bahwa langkah-langkah dilakukan satu per satu, dan setiap langkah bergantung pada hasil dari langkah sebelumnya.
- Pengendalian dan Pengawasan: Selama proses eksekusi, kontrol dan pengawasan diterapkan untuk memastikan bahwa setiap langkah dilakukan dengan benar dan sesuai dengan rencana. Ini mungkin melibatkan pemantauan proses, pemeriksaan hasil, serta penyesuaian atau koreksi jika diperlukan.
- Perulangan (jika diperlukan): Dalam beberapa kasus, prinsip kerja kontrol berurutan melibatkan perulangan langkah-langkah tertentu sampai kondisi tertentu terpenuhi. Ini memungkinkan sistem untuk menyesuaikan diri dengan perubahan kondisi atau untuk memastikan bahwa tujuan dapat dicapai dengan benar.
- Evaluasi dan Perbaikan: Setelah tujuan dicapai atau proses selesai, evaluasi dilakukan untuk menilai efektivitas langkah-langkah yang diambil. Jika ditemukan kelemahan atau area untuk perbaikan, langkah-langkah dapat disesuaikan atau disempurnakan untuk iterasi berikutnya.
Prinsip kerja kontrol berurutan memungkinkan sistem untuk mengelola proses atau tugas dengan efisien dan terstruktur. Dengan mengikuti langkah-langkah ini, sistem dapat mencapai tujuan secara konsisten dan dapat mengatasi perubahan atau gangguan yang terjadi selama proses.
Fungsi Kontrol Berurutan
Fungsi utama dari rangkaian kontrol berurutan adalah untuk mengotomatiskan proses yang kompleks menjadi serangkaian langkah yang teratur dan dapat diandalkan. Dengan menggunakan kontrol berurutan, banyak tugas yang sebelumnya memerlukan intervensi manusia secara manual dapat dilakukan dengan lebih efisien dan konsisten.
Beberapa fungsi umum dari kontrol berurutan antara lain:
- Mengatur Proses Produksi: Dalam industri manufaktur, rangkaian kontrol berurutan digunakan untuk mengatur proses produksi secara otomatis, mulai dari pengaturan suhu dan tekanan hingga penanganan material secara otomatis.
- Kendali Otomatis: Pada kendaraan modern, kontrol berurutan digunakan untuk mengatur berbagai sistem seperti sistem rem anti terkunci (ABS), sistem kontrol traksi, dan sistem pengereman regeneratif.
- Pengendalian Lingkungan: Di rumah atau bangunan komersial, rangkaian kontrol berurutan digunakan untuk mengatur sistem pengaturan suhu, pencahayaan, dan ventilasi untuk meningkatkan kenyamanan dan efisiensi energi.
Cara Membuat Rangkaian Kontrol Berurutan
Membuat rangkaian kontrol berurutan memerlukan pemahaman yang baik tentang prinsip kerja elektronika dan pemrograman. Berikut adalah langkah-langkah umum untuk membuat rangkaian kontrol berurutan:
- Identifikasi Kebutuhan: Tentukan fungsi dan kebutuhan dari rangkaian kontrol yang akan dibuat. Apakah itu untuk mengatur suhu, kelembaban, atau sistem lainnya.
- Pilih Sensor dan Aktuator: Pilih sensor yang sesuai untuk mendeteksi input yang diperlukan, serta aktuator yang akan memberikan respons atau output sesuai dengan input tersebut.
- Rancang Rangkaian Elektronik: Rancang rangkaian elektronik yang terdiri dari sensor, mikrokontroler, dan aktuator sesuai dengan kebutuhan yang telah ditentukan sebelumnya.
- Program Mikrokontroler: Gunakan bahasa pemrograman yang sesuai untuk memprogram mikrokontroler agar dapat membaca input dari sensor, melakukan pemrosesan data, dan mengendalikan aktuator dengan benar.
- Uji Coba dan Koreksi: Uji coba rangkaian kontrol secara menyeluruh, dan lakukan koreksi atau penyesuaian jika diperlukan untuk memastikan bahwa rangkaian berfungsi sesuai dengan yang diinginkan.
Alat & Bahan yang Diperlukan untuk Membuat Rangkaian Kontrol Berurutan
Untuk membuat rangkaian kontrol berurutan, beberapa alat dan bahan yang umumnya diperlukan antara lain:
- Mikrokontroler: Seperti Arduino, Raspberry Pi, atau mikrokontroler lainnya yang dapat diprogram.
- Sensor: Sesuaikan dengan jenis input yang akan dideteksi, seperti sensor suhu, sensor cahaya, sensor gerak, dan lain sebagainya.
- Aktuator: Berupa perangkat yang dapat memberikan respons atau output, seperti motor DC, relay, atau solenoid.
- Komponen Elektronik: Seperti resistor, kapasitor, transistor, dan kabel-kabel penghubung lainnya.
- Perangkat Lunak: Bahasa pemrograman seperti Arduino IDE atau Python, tergantung pada jenis mikrokontroler yang digunakan.
Kelebihan & Kekurangan
Kelebihan:
- Automatisasi: Memungkinkan proses-proses yang kompleks untuk diotomatiskan, mengurangi ketergantungan pada intervensi manusia.
- Konsistensi: Memberikan hasil yang konsisten dan dapat diandalkan, karena tindakan yang diambil sesuai dengan aturan yang telah diprogram.
- Efisiensi: Dapat meningkatkan efisiensi dalam berbagai aplikasi, baik dalam hal penggunaan energi maupun waktu.
Kekurangan:
- Ketergantungan pada Sensor: Kinerja rangkaian dapat dipengaruhi oleh kualitas dan keandalan sensor yang digunakan.
- Kompleksitas Perancangan: Memerlukan pemahaman yang mendalam tentang elektronika dan pemrograman untuk merancang dan mengimplementasikan kontrol berurutan.
- Biaya: Implementasi kontrol berurutan seringkali memerlukan investasi awal yang cukup besar untuk membeli perangkat keras dan perangkat lunak yang diperlukan.
Kesimpulan
Rangkaian kontrol berurutan merupakan salah satu metode yang penting dalam dunia teknik modern, yang memungkinkan otomatisasi proses-proses kompleks menjadi lebih efisien dan konsisten. Dengan memahami prinsip kerja, fungsi, dan langkah-langkah pembuatannya, para teknisi dan insinyur dapat mengimplementasikan kontrol berurutan dalam berbagai aplikasi dengan lebih baik dan efektif. Meskipun memiliki beberapa kekurangan, kelebihan dari kontrol berurutan jelas terlihat dalam meningkatkan produktivitas dan efisiensi dalam berbagai bidang industri dan kehidupan sehari-hari.


