Dalam dunia listrik, terdapat beragam metode dan konfigurasi rangkaian yang digunakan untuk mengatur aliran listrik dengan efisiensi dan keandalan. Salah satu yang cukup populer adalah rangkaian listrik star delta. Metode ini sering digunakan dalam mengendalikan motor listrik, terutama pada aplikasi yang membutuhkan putaran awal yang rendah dan meningkatkan putaran secara bertahap untuk menghindari lonjakan arus yang berlebihan. Rangkaian star delta memanfaatkan konfigurasi bintang (star) pada tahap awal, di mana semua ujung gulungan motor terhubung ke titik tengah atau netral. Kemudian, setelah motor mencapai kecepatan tertentu, rangkaian bintang dilepas dan diubah menjadi konfigurasi delta, di mana ujung gulungan motor terhubung secara langsung. Keuntungan utama dari penggunaan rangkaian star delta adalah mengurangi lonjakan arus awal yang dapat merusak peralatan dan juga mengurangi tekanan mekanis pada sistem. Namun, pemahaman yang mendalam tentang prinsip kerja dan pengaturan yang tepat diperlukan untuk mengimplementasikannya dengan efektif. Apakah Anda ingin mengetahui lebih lanjut tentang rangkaian listrik star delta? Ikuti pembahasan lengkapnya dalam artikel ini untuk mendapatkan wawasan yang lebih mendalam tentang aplikasi, manfaat, dan proses pengaturannya. Jangan lewatkan kesempatan untuk memperluas pengetahuan Anda dalam bidang teknik listrik yang menarik ini!
Pengertian Listrik Star Delta
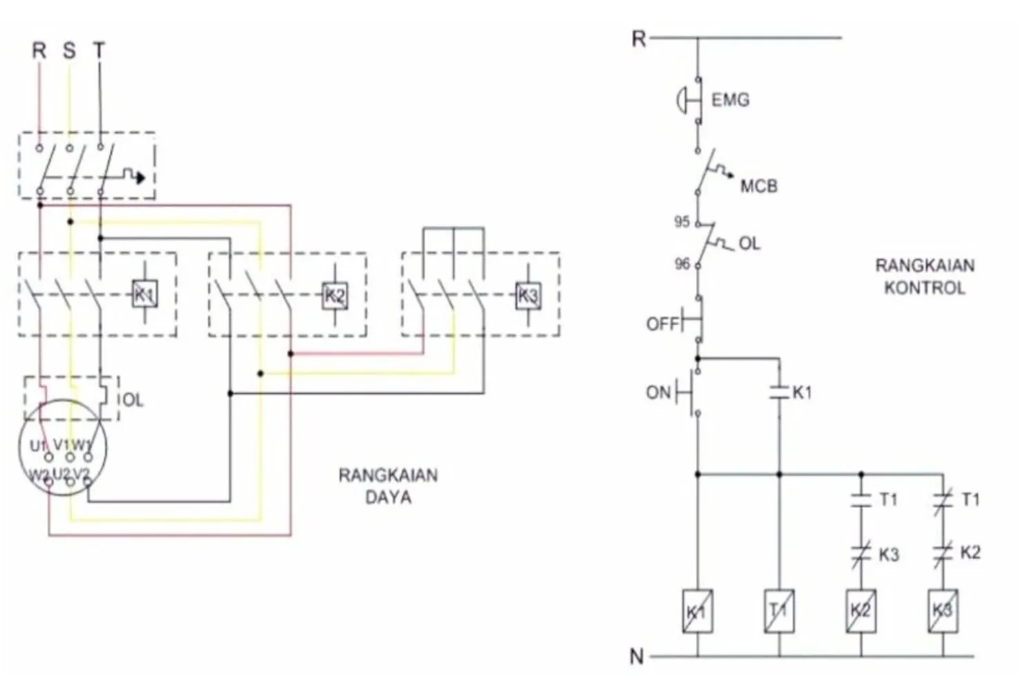
Listrik star delta adalah salah satu metode pengendalian motor listrik yang umum digunakan dalam industri. Metode ini digunakan untuk mengurangi lonjakan arus saat motor dihidupkan, sehingga mengurangi tekanan pada sistem listrik dan komponen motor. Dalam sistem star delta, motor dihubungkan dalam dua konfigurasi: bintang (star) dan segitiga (delta), sesuai dengan kebutuhan operasional. Penggunaan metode ini sangat umum dalam aplikasi di mana motor harus dihidupkan dengan beban yang berat.
Metode star delta mengatur hubungan antara gulungan motor untuk memodifikasi karakteristik operasionalnya. Pada tahap pertama, motor dihubungkan dalam konfigurasi bintang, di mana ketiga fase motor terhubung ke titik pusat dan tegangan yang diterapkan pada setiap gulungan lebih rendah daripada pada konfigurasi delta. Setelah motor mencapai kecepatan tertentu, sistem beralih ke konfigurasi delta untuk operasi normal.
Fungsi Listrik Star Delta
Sistem listrik star delta adalah metode yang digunakan dalam mengoperasikan motor listrik tiga fase. Fungsi utamanya adalah untuk mengurangi lonjakan arus saat motor start. Berikut adalah beberapa fungsi dari sistem star delta:
- Reduksi Lonjakan Arus: Lonjakan arus saat motor start dapat menjadi masalah dalam sistem listrik tiga fase karena dapat menyebabkan kerusakan pada peralatan dan infrastruktur listrik. Dengan menggunakan sistem star delta, arus start dapat dikurangi secara signifikan dibandingkan dengan start langsung dari konfigurasi delta, karena saat start motor akan dijalankan terlebih dahulu dalam mode star, yang membatasi arus start.
- Perlindungan Motor: Pengurangan lonjakan arus juga berarti perlindungan yang lebih baik bagi motor. Dengan memulai motor dalam mode star, beban pada gulungan motor berkurang, yang membantu mencegah kerusakan yang disebabkan oleh panas berlebihan dan tekanan mekanis akibat arus start yang tinggi.
- Efisiensi Energi: Meskipun sistem star delta memerlukan dua tahap start (star dan delta), pengurangan arus start memungkinkan penggunaan daya yang lebih efisien dalam jangka panjang. Ini dapat membantu mengurangi biaya energi dan memperpanjang umur motor.
- Kebutuhan Instalasi Listrik: Dalam beberapa kasus, sistem star delta dapat mengurangi kebutuhan kabel dan peralatan listrik lainnya, karena penggunaan arus start yang lebih rendah memungkinkan penggunaan komponen yang lebih kecil dan lebih murah.
- Pengaturan Kecepatan Motor: Dalam beberapa aplikasi, sistem star delta juga dapat digunakan sebagai metode untuk mengatur kecepatan motor. Dengan mengubah konfigurasi dari bintang ke delta (atau sebaliknya), kecepatan motor dapat diubah sesuai dengan kebutuhan aplikasi.
Sistem star delta merupakan pilihan yang umum digunakan dalam aplikasi industri di mana motor tiga fase digunakan, terutama untuk motor berdaya besar yang memerlukan pengurangan arus start yang signifikan.
Cara Kerja Listrik Star Delta
Sistem listrik star delta bekerja dengan mengatur konfigurasi hubungan kabel pada motor tiga fase secara bertahap, yaitu mode star (bintang) dan mode delta (segitiga), untuk mengurangi lonjakan arus saat motor mulai beroperasi. Berikut adalah langkah-langkah umum dalam cara kerja sistem listrik star delta:
- Mode Star (Bintang):
- Pada tahap awal, saat motor akan dihidupkan, semua hubungan kabel motor diatur dalam konfigurasi star (bintang).
- Dalam konfigurasi ini, setiap gulungan motor terhubung ke ujung sebuah fasa (R, S, dan T) dan juga ke ujung sebuah titik netral (N).
- Saat motor dihidupkan dalam mode star, arus start akan berkurang karena tegangan yang diterapkan pada setiap gulungan motor adalah tegangan fasa dibagi dengan akar tiga (1.732), sehingga arus start yang dihasilkan lebih rendah.
- Mode Delta (Segitiga):
- Setelah motor berjalan dengan mode star untuk beberapa waktu untuk memperoleh kecepatan yang cukup, sistem beralih ke mode delta (segitiga) untuk operasi normal.
- Saat beralih ke mode delta, konfigurasi hubungan kabel diubah sehingga setiap gulungan motor terhubung secara langsung ke gulungan lainnya, membentuk konfigurasi segitiga.
- Dalam mode delta, tegangan yang diterapkan pada setiap gulungan motor adalah tegangan fasa penuh (tanpa pembagian), yang meningkatkan torsi dan kinerja motor untuk operasi normal.
- Pemutusan Sementara:
- Proses beralih dari mode star ke mode delta seringkali melibatkan penggunaan kontaktor khusus yang mengontrol hubungan kabel motor.
- Saat beralih dari mode star ke mode delta, ada periode pemutusan sementara saat hubungan kabel diubah. Ini memungkinkan motor untuk tetap berjalan dengan kecepatan yang stabil saat beralih antara mode operasi.
- Pengendalian Melalui Kontrol Listrik:
- Sistem star delta biasanya dikendalikan melalui panel kontrol listrik yang memonitor kecepatan dan kondisi motor.
- Panel kontrol ini dilengkapi dengan rangkaian logika yang memutuskan kapan harus beralih antara mode star dan mode delta berdasarkan parameter yang diprogramkan, seperti waktu atau kecepatan motor.
Dengan demikian, sistem listrik star delta memungkinkan motor untuk dihidupkan dengan arus start yang lebih rendah dalam mode star, dan kemudian diubah ke mode delta untuk operasi normal yang efisien. Hal ini membantu melindungi motor dari kerusakan akibat lonjakan arus start yang tinggi dan meningkatkan efisiensi energi dalam jangka panjang.
Tips Mengoptimalkan Rangkaian Listrik Star Delta
Mengoptimalkan rangkaian listrik star delta penting untuk memastikan kinerja yang stabil dan efisien dari motor listrik serta sistem listrik secara keseluruhan. Berikut adalah beberapa tips yang dapat membantu dalam mengoptimalkan rangkaian ini:
- Pemilihan Komponen Berkualitas: Pastikan semua komponen rangkaian, seperti kontaktor, relay termal, dan pengontrol, memiliki kualitas yang baik dan sesuai dengan spesifikasi motor yang digunakan. Komponen yang berkualitas rendah dapat menyebabkan kegagalan sistem atau kerusakan pada motor.
- Pengaturan Waktu Switching yang Tepat: Atur waktu switching antara konfigurasi star dan delta sesuai dengan karakteristik motor dan beban yang akan dijalankan. Waktu yang tidak tepat dapat mengakibatkan lonjakan arus atau kegagalan starting yang tidak diinginkan.
- Pemeliharaan Rutin: Lakukan pemeliharaan rutin pada rangkaian star delta, termasuk pemeriksaan visual, pengujian fungsi komponen, dan pembersihan. Pemeliharaan yang teratur dapat mencegah kerusakan akibat keausan atau kegagalan komponen.
- Monitoring Suhu: Pantau suhu komponen kunci, seperti kontaktor dan relay termal, selama operasi normal. Suhu yang berlebihan dapat menjadi indikasi masalah pada sistem dan dapat menyebabkan kerusakan jika tidak ditangani dengan cepat.
- Pelatihan Operator: Pastikan operator yang bertanggung jawab untuk mengoperasikan sistem star delta telah menerima pelatihan yang memadai dalam pengoperasian dan pemeliharaan. Operator yang terlatih dapat mengidentifikasi dan menangani masalah dengan lebih efektif, mengurangi risiko kerusakan atau kegagalan.
Mengatasi Masalah Umum pada Rangkaian Listrik Star Delta
Meskipun rangkaian listrik star delta telah dirancang untuk operasi yang stabil dan efisien, beberapa masalah umum masih dapat terjadi. Berikut adalah beberapa masalah umum yang sering terjadi pada rangkaian ini beserta cara mengatasi mereka:
- Lonjakan Arus Saat Starting: Jika terjadi lonjakan arus yang berlebihan saat starting, periksa kondisi komponen seperti kontaktor dan relay termal. Pastikan komponen tersebut berfungsi dengan baik dan sesuai dengan spesifikasi motor. Selain itu, periksa pengaturan waktu switching untuk memastikan waktu yang optimal.
- Overheating pada Komponen: Jika terjadi overheating pada komponen seperti kontaktor atau relay, periksa beban yang terhubung ke motor. Pastikan beban tidak melebihi kapasitas motor atau sistem listrik. Selain itu, pastikan ventilasi yang memadai untuk mendinginkan komponen tersebut.
- Kegagalan Switching: Jika terjadi kegagalan dalam proses switching antara konfigurasi star dan delta, periksa koneksi dan pengaturan pengontrol. Pastikan koneksi kabel yang baik dan tidak ada kebocoran arus yang tidak terdeteksi.
- Kerusakan pada Gulungan Motor: Jika motor mengalami kerusakan pada gulungan atau isolasi, periksa kondisi mekanis motor dan lakukan pengujian isolasi secara rutin. Pastikan motor tidak terkena kelembaban atau kondisi lingkungan yang merusak.
- Kegagalan Operasional: Jika sistem star delta mengalami kegagalan operasional secara keseluruhan, periksa semua komponen rangkaian secara menyeluruh dan lakukan pengujian fungsi. Jika diperlukan, panggil teknisi terampil untuk melakukan perbaikan atau penggantian komponen yang rusak.
Kesimpulan
Penerapan rangkaian listrik star delta merupakan salah satu metode yang efektif untuk mengendalikan motor listrik dengan aman dan efisien. Dengan mengurangi lonjakan arus saat starting dan mengoptimalkan kinerja motor, metode ini membantu dalam menjaga stabilitas dan keandalan operasi sistem listrik industri.
Namun, untuk memastikan kinerja yang optimal, perlu dilakukan pemilihan komponen yang berkualitas, pengaturan yang tepat, pemeliharaan rutin, dan pemantauan yang cermat terhadap kondisi operasional. Dengan mengikuti tips dan langkah-langkah tersebut, masalah pada rangkaian listrik star delta dapat diatasi dengan efektif, dan kinerja sistem dapat dipertahankan dengan baik dalam jangka panjang.


