Kontaktor adalah komponen kunci dalam sistem listrik yang memungkinkan pengendalian arus listrik yang kuat dengan menggunakan sinyal kontrol yang lebih lemah. Namun, di balik operasinya yang tampak sederhana, terdapat elemen penting yang menjaga stabilitas dan keandalan dari perangkat ini. Salah satu bagian kunci yang seringkali terlupakan, namun memiliki peran krusial, adalah rangkaian pengunci kontaktor. Rangkaian berikutĀ memainkan peran vital dalam menjaga kontak-kontak utama dalam posisi terbuka atau tertutup yang diinginkan. Dengan menggunakan prinsip elektromagnetik, mekanis, atau bahkan pneumatik, pengunci kontak memastikan bahwa sistem listrik beroperasi dengan lancar dan aman. Dalam artikel ini, Elektronike.id akan menjelajahi berbagai jenis rangkaian pengunci kontaktor, serta fungsi dan prinsip kerja masing-masing. Dari pengunci elektromagnetik yang mengandalkan medan magnet hingga pengunci mekanis yang menggunakan gaya gravitasi, setiap jenis pengunci memiliki karakteristik dan keunggulan tersendiri. Jangan lewatkan kesempatan untuk memahami lebih dalam tentang peran yang dimainkan oleh pengunci kontaktor dalam sistem listrik. Dengan pemahaman yang lebih baik tentang teknologi ini, Anda akan dapat mengoptimalkan kinerja sistem Anda dan meningkatkan keandalan operasi. Mari kita telusuri bersama bagaimana rangkaian pengunci kontaktor bekerja, dan mengapa hal ini menjadi penting dalam dunia teknologi listrik. Simak artikel kami dan jadilah bagian dari perjalanan pengetahuan ini!
Sekilas tentang Rangkaian Pengunci Kontaktor
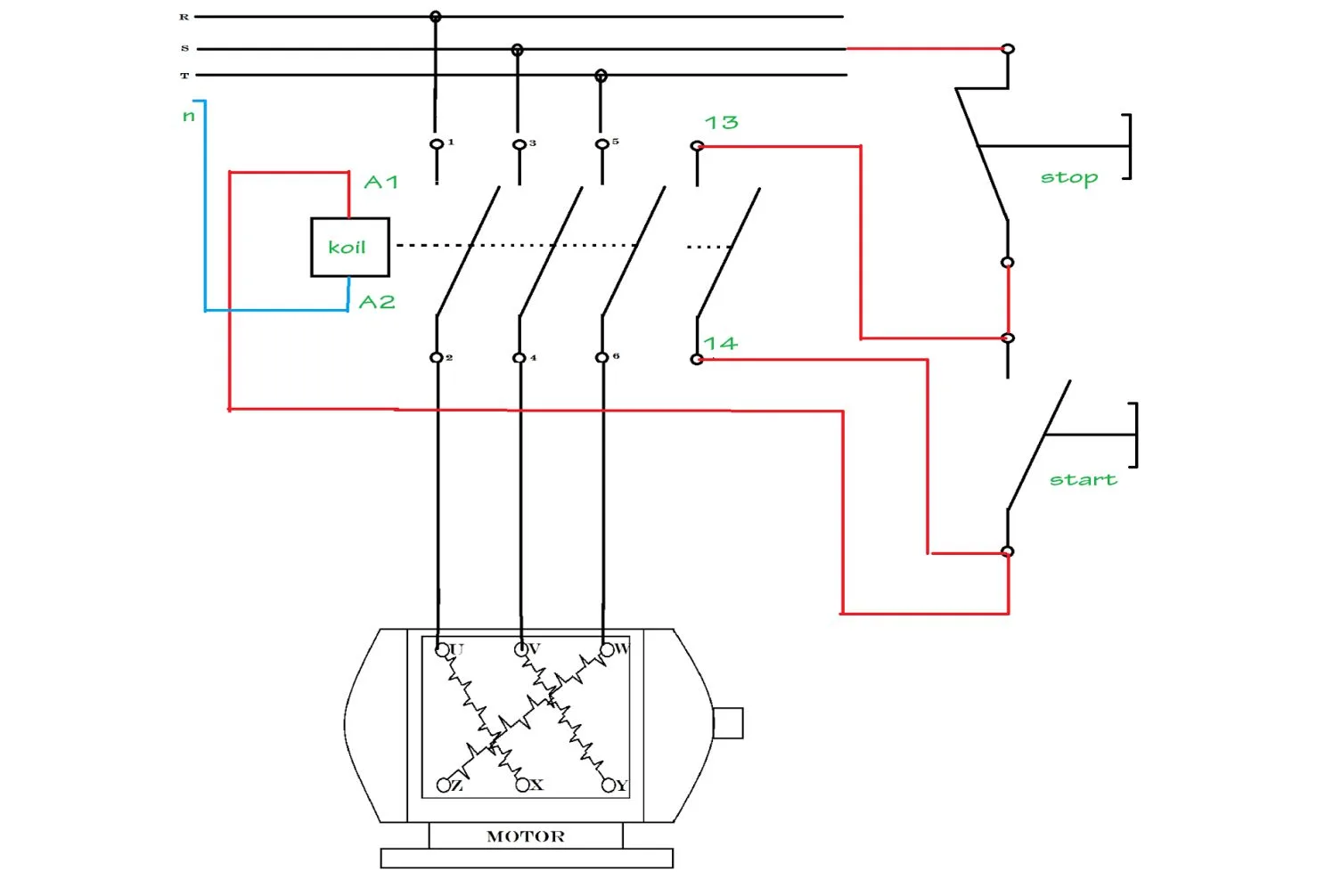
Rangkaian pengunci kontak (kontaktor) merupakan suatu sistem elektrikal yang digunakan untuk menjaga agar kontak-kontak pada sebuah kontaktor tetap tertutup setelah tegangan dihilangkan. Hal ini berguna untuk mencegah terjadinya penguncian secara tidak sengaja saat tegangan kembali dihidupkan setelah terjadi pemadaman listrik. Rangkaian pengunci ini umumnya terdiri dari komponen-komponen seperti relay, kontaktor, push button, dan kontaktor pengunci (auxiliary contactor).
Prinsip kerja rangkaian pengunci ini adalah saat tombol atau saklar ditekan, relay akan diaktifkan dan memberikan daya ke kontaktor pengunci, yang pada gilirannya akan memastikan kontak utama pada kontaktor tetap tertutup bahkan setelah tombol atau saklar dilepas. Dengan demikian, saat tegangan dipulihkan, kontakor tetap dalam keadaan tertutup tanpa memerlukan penekanan tombol atau saklar secara manual lagi.
Rangkaian pengunci kontak sangat umum digunakan dalam berbagai aplikasi industri, termasuk sistem kontrol motor, sistem distribusi tenaga listrik, dan sistem otomatisasi industri. Penggunaannya membantu meningkatkan keamanan dan efisiensi dalam operasi peralatan listrik yang menggunakan kontaktor.
Prinsip Kerja Pengunci Kontaktor
Pengunci kontak adalah perangkat pada sebuah kontaktor yang bertugas untuk menjaga kontak-kontak dalam posisi tertutup atau terbuka saat kontaktor sedang dalam operasi. Prinsip kerja pengunci kontakor dapat dijelaskan sebagai berikut:
- Pengunci Elektromagnetik: Kontakor biasanya dilengkapi dengan pengunci elektromagnetik yang terhubung secara mekanis dengan kumparan utama atau kumparan penggerak dari kontaktor. Ketika arus diberikan ke kumparan utama, elektromagnet ini aktif, menarik inti besi atau magnet, yang kemudian memicu pengunci untuk mengunci posisi kontak-kontak utama.
- Pengunci Mekanis: Beberapa jenis kontakor dilengkapi dengan pengunci mekanis yang bekerja dengan menggunakan prinsip gaya gravitasi atau pegas untuk menjaga posisi kontak tertutup atau terbuka. Ketika kontakor dalam keadaan terhubung atau terputus, pengunci mekanis akan mengunci posisi tersebut sehingga kontak tidak akan bergerak secara tidak sengaja.
- Pengaman dan Keandalan: Pengunci kontak penting untuk menjaga keandalan sistem listrik dan menghindari kontak-kontak yang tidak diinginkan atau bergoyang-goyang yang dapat menyebabkan masalah seperti lonjakan atau pemadaman arus listrik. Dengan menjaga kontak tetap dalam posisi yang diinginkan, pengunci kontak membantu mencegah keausan yang berlebihan dan memperpanjang umur kontak-kontak tersebut.
- Kontrol dan Otomatisasi: Pengunci kontak juga dapat dikendalikan melalui sistem otomatisasi atau kontrol yang lebih luas. Misalnya, dalam sistem otomatisasi industri, pengunci kontak dapat dikendalikan oleh program komputer atau pengontrol logika terprogram (PLC) untuk mengatur aliran listrik sesuai dengan kebutuhan operasional.
Dengan menjaga posisi kontak-kontak dalam posisi yang diinginkan, pengunci kontak membantu memastikan keandalan dan kinerja yang konsisten dari sistem listrik yang menggunakan kontaktor.
Fungsi Pengunci Kontaktor
Pengunci kontak pada kontaktor memiliki beberapa fungsi penting dalam sistem listrik, di antaranya:
- Mengunci Kontak dalam Posisi yang Diinginkan: Fungsi utama pengunci kontak adalah untuk menjaga kontak-kontak pada kontaktor dalam posisi tertutup atau terbuka yang diinginkan saat dalam operasi normal. Ini penting untuk memastikan aliran listrik yang stabil dan sesuai dengan kebutuhan sistem.
- Mencegah Kontak Bergoyang atau Bergetar: Pengunci kontak membantu mencegah kontak-kontak pada kontaktor dari bergoyang atau bergetar akibat getaran atau gangguan mekanis lainnya. Hal ini dapat mengurangi kemungkinan terjadinya lonjakan arus atau gangguan listrik lainnya yang dapat merusak peralatan atau menyebabkan pemadaman listrik.
- Memperpanjang Umur Kontak: Dengan menjaga kontak-kontak tetap dalam posisi yang diinginkan, pengunci kontak membantu mengurangi gesekan dan keausan yang terjadi saat kontak bergerak. Hal ini dapat memperpanjang umur operasional dari kontak-kontak tersebut dan mengurangi kebutuhan untuk pemeliharaan dan penggantian.
- Meningkatkan Keandalan Sistem: Dengan mengunci kontak dalam posisi yang stabil, pengunci kontak membantu meningkatkan keandalan sistem listrik secara keseluruhan. Hal ini karena pengunci kontak mengurangi kemungkinan terjadinya gangguan atau kegagalan yang disebabkan oleh kontak yang tidak stabil atau bergoyang.
- Mendukung Operasi Otomatisasi: Pengunci kontak juga dapat berfungsi sebagai bagian dari sistem otomatisasi yang lebih luas. Mereka dapat dikendalikan oleh sistem kontrol atau logika terprogram untuk mengatur aliran listrik sesuai dengan kebutuhan operasional, sehingga meningkatkan efisiensi dan kinerja sistem secara keseluruhan.
Secara keseluruhan, fungsi pengunci kontak pada kontaktor sangat penting untuk menjaga keandalan, kinerja, dan efisiensi sistem listrik dalam berbagai aplikasi, mulai dari industri hingga perumahan.
Bagian-bagian Pengunci Kontaktor
Pengunci kontak pada kontaktor terdiri dari beberapa bagian yang bekerja sama untuk menjaga posisi kontak-kontak utama dalam keadaan tertutup atau terbuka yang diinginkan. Berikut adalah beberapa bagian utama dari pengunci kontakor:
- Kumparan Pengunci (Coil): Kumparan pengunci adalah bagian utama dari pengunci kontak yang berfungsi untuk menghasilkan medan magnet yang diperlukan untuk menggerakkan komponen pengunci lainnya. Kumparan ini sering terpasang di sekitar kumparan utama atau kumparan penggerak dari kontaktor.
- Inti Magnet (Magnetic Core): Inti magnet atau magnet yang terbuat dari bahan ferromagnetik ditempatkan di dalam kumparan pengunci. Ketika arus mengalir melalui kumparan, inti magnet ini menjadi magnetis dan menghasilkan medan magnet yang diperlukan untuk operasi pengunci.
- Kontak Pengunci (Latch Contacts): Kontak pengunci adalah bagian mekanis dari pengunci kontak yang terhubung secara langsung dengan kumparan pengunci. Ketika kumparan menerima arus listrik dan menciptakan medan magnet, kontak pengunci akan bergerak untuk mengunci atau membuka posisi kontak-kontak utama.
- Pegas Pengunci (Latch Springs): Pegas pengunci adalah komponen yang memberikan gaya untuk menarik atau menahan kontak pengunci dalam posisi tertutup atau terbuka. Pegas ini membantu menjaga kontak-kontak utama pada posisi yang diinginkan saat pengunci aktif.
- Pengunci Mekanis (Mechanical Latch): Beberapa jenis pengunci kontak dilengkapi dengan pengunci mekanis yang bekerja dengan prinsip gaya gravitasi atau pegas untuk menjaga posisi kontak tertutup atau terbuka. Pengunci mekanis ini berfungsi sebagai tambahan untuk menjaga posisi kontak dalam keadaan yang diinginkan.
- Kontak Utama (Main Contacts): Kontak utama adalah bagian dari kontaktor yang melakukan penyambungan atau pemutusan sirkuit listrik utama. Pengunci kontak membantu menjaga kontak-kontak utama ini dalam posisi yang stabil selama operasi normal.
Setiap bagian dari pengunci kontak bekerja secara terkoordinasi untuk menjaga posisi kontak-kontak utama dalam keadaan tertutup atau terbuka sesuai dengan kebutuhan sistem listrik. Ini penting untuk memastikan kinerja yang andal dan keamanan operasi dari kontaktor dalam berbagai aplikasi industri maupun perumahan.
Jenis Pengunci Kontaktor
Ada beberapa jenis pengunci kontak yang digunakan dalam sistem listrik dan berbagai aplikasi industri. Berikut adalah beberapa jenis pengunci kontak yang umum:
- Pengunci Elektromagnetik: Jenis pengunci ini menggunakan medan magnet yang dihasilkan oleh kumparan pengunci untuk menarik atau menahan kontak-kontak utama dalam posisi tertutup atau terbuka. Ketika arus mengalir melalui kumparan, medan magnet yang dihasilkan memicu pengunci untuk mengunci atau membuka posisi kontak.
- Pengunci Mekanis: Pengunci mekanis menggunakan prinsip gaya gravitasi atau pegas untuk menjaga posisi kontak tertutup atau terbuka. Mereka tidak memerlukan kumparan pengunci atau energi listrik tambahan untuk operasi. Pengunci mekanis sering digunakan sebagai pengaman tambahan atau sebagai cadangan dalam sistem listrik.
- Pengunci Pneumatik: Jenis pengunci ini menggunakan udara bertekanan untuk menggerakkan komponen pengunci dan menjaga posisi kontak-kontak utama dalam keadaan tertutup atau terbuka. Pengunci pneumatik sering digunakan dalam aplikasi industri yang memerlukan respons cepat dan gerakan yang akurat.
- Pengunci Hidrolik: Mirip dengan pengunci pneumatik, pengunci hidrolik menggunakan fluida bertekanan, seperti minyak atau air, untuk menggerakkan komponen pengunci. Mereka dapat digunakan dalam aplikasi di mana tekanan hidrolik lebih cocok atau di mana diperlukan kekuatan pengunci yang besar.
- Pengunci Elektronik: Pengunci elektronik menggunakan sinyal listrik atau sirkuit elektronik untuk mengontrol operasi pengunci. Mereka sering digunakan dalam sistem otomatisasi yang terintegrasi dengan kontrol digital atau mikrokontroler.
Setiap jenis pengunci kontak memiliki kelebihan dan kelemahan masing-masing, tergantung pada aplikasi dan kebutuhan sistem listrik yang spesifik. Pemilihan jenis pengunci yang tepat sangat penting untuk memastikan kinerja yang andal dan efisien dari sistem listrik.
Diagnosis dan Troubleshooting Rangkaian Pengunci Kontaktor
Diagnosis dan troubleshooting rangkaian pengunci kontaktor penting dilakukan untuk memastikan kinerja sistem listrik tetap optimal. Beberapa langkah yang dapat dilakukan dalam proses ini antara lain:
- Pemeriksaan Visual: Periksa kondisi fisik dari rangkaian pengunci, termasuk coil, core, dan kontak, untuk memastikan tidak ada kerusakan atau keausan yang signifikan.
- Pengukuran Arus: Lakukan pengukuran arus yang mengalir pada rangkaian pengunci untuk memastikan tidak ada kelebihan arus yang dapat menyebabkan kerusakan pada komponen.
- Pemeriksaan Koneksi: Periksa koneksi antara rangkaian pengunci dengan sumber daya listrik dan kontaktor untuk memastikan tidak ada koneksi yang longgar atau terputus.
Kelebihan & Kekurangan
Terdapat beberapa kelebihan dan kekurangan dalam penggunaan rangkaian pengunci kontaktor, di antaranya adalah:
Kelebihan:
- Mencegah Kontak Terbuka: Menghindari terjadinya kontak terbuka secara tidak sengaja yang dapat mengganggu kinerja sistem.
- Meningkatkan Keandalan: Dengan menjaga kontak-kontak pada kontaktor tetap tertutup, pengunci kontaktor meningkatkan keandalan sistem listrik secara keseluruhan.
Kekurangan:
- Ketergantungan pada Listrik: Pengunci kontaktor memerlukan pasokan listrik yang kontinu untuk menjaga kontak tetap tertutup, sehingga rentan terhadap gangguan pada pasokan listrik.
- Kerusakan Potensial: Jika terjadi kerusakan pada coil atau komponen lainnya, pengunci kontaktor dapat mengalami kegagalan yang menyebabkan gangguan pada sistem.
Kesimpulan
Rangkaian pengunci kontaktor merupakan komponen penting dalam sistem listrik yang berfungsi untuk menjaga kontak-kontak pada kontaktor tetap tertutup. Dengan prinsip kerja yang sederhana namun efektif, pengunci kontaktor mampu meningkatkan keandalan sistem listrik secara keseluruhan. Meskipun demikian, diagnosis dan pemeliharaan rutin diperlukan untuk memastikan kinerja optimal dari rangkaian pengunci kontaktor. Dengan memahami fungsi, jenis, serta kelebihan dan kekurangannya, pengguna dapat mengoptimalkan penggunaan rangkaian pengunci kontaktor dalam sistem listrik mereka.


