Dalam industri, khususnya di sektor manufaktur, kehandalan dan efisiensi peralatan angkat merupakan faktor penting dalam memastikan produktivitas yang optimal. Salah satu perangkat yang memainkan peran penting dalam proses ini adalah rangkaian listrik hoist. Rangkaian listrik hoist merupakan sistem elektrik yang mengontrol operasi hoist atau alat pengangkat. Rangkaian listrik hoist tidak hanya berfungsi sebagai penggerak utama untuk mengangkat dan menurunkan beban, tetapi juga memastikan operasi yang aman dan efisien. Dengan teknologi yang terus berkembang, rangkaian listrik hoist menjadi semakin canggih dan dapat diandalkan, memungkinkan pengguna untuk mengangkat beban dengan presisi yang tinggi dan dalam waktu yang lebih efisien. Keandalan dan keamanan merupakan dua aspek utama yang harus dipertimbangkan dalam pemilihan dan penggunaan rangkaian listrik hoist. Dengan pemahaman yang mendalam tentang bagaimana rangkaian ini bekerja, operator dapat memastikan bahwa peralatan mereka beroperasi dengan optimal dan meminimalkan risiko kecelakaan. Di artikel berikutnya, Elektronike.id akan membahas lebih lanjut tentang berbagai jenis rangkaian listrik hoist, prinsip kerjanya, serta tips untuk pemeliharaan dan penggunaan yang aman. Mari kita temukan lebih banyak wawasan tentang teknologi ini yang krusial dalam proses industri modern. Jangan lewatkan kesempatan untuk menambah pengetahuan Anda tentang rangkaian listrik hoist yang tak tergantikan ini!
Apa itu Listrik Hoist?
Listrik hoist adalah perangkat angkat yang menggunakan tenaga listrik untuk mengangkat dan menurunkan beban. Perangkat ini umumnya digunakan dalam industri, konstruksi, gudang, dan tempat-tempat lain di mana beban yang berat perlu diangkat atau diturunkan secara teratur. Listrik hoist biasanya dilengkapi dengan motor listrik yang menggerakkan drum atau pulley untuk mengangkat atau menurunkan beban dengan bantuan rantai, kabel, atau tali. Mereka sering digunakan untuk mengangkat barang-barang berat, seperti mesin, komponen konstruksi, atau material bangunan, secara efisien dan aman. Keuntungan utama penggunaan listrik hoist adalah kemampuan untuk mengangkat beban yang berat dengan sedikit usaha fisik dan meningkatkan efisiensi kerja.
Fungsi Listrik Hoist
Listrik hoist memiliki beberapa fungsi utama, termasuk:
- Mengangkat Beban Berat: Fungsi utama dari listrik hoist adalah untuk mengangkat beban yang berat dari satu lokasi ke lokasi lainnya. Beban yang bisa diangkat dapat bervariasi tergantung pada kapasitas hoist tersebut.
- Mengurangi Usaha Fisik: Dengan menggunakan tenaga listrik, listrik hoist membantu mengurangi usaha fisik yang diperlukan untuk mengangkat beban berat. Ini membuatnya lebih efisien dan mengurangi risiko cedera pekerja.
- Mempercepat Proses: Listrik hoist dapat membantu mempercepat proses pengangkatan dan penurunan beban, yang dapat meningkatkan produktivitas di tempat kerja.
- Akurasi Pengangkatan: Hoist listrik sering dilengkapi dengan kontrol yang memungkinkan pengguna untuk mengatur tingkat pengangkatan dengan lebih akurat, memastikan beban diangkat dan diturunkan dengan tepat sesuai kebutuhan.
- Meningkatkan Keamanan: Listrik hoist sering dilengkapi dengan fitur keamanan seperti rem otomatis dan sensor beban berlebih untuk mencegah kecelakaan dan kerusakan peralatan.
- Mengakses Lokasi yang Sulit: Dengan bantuan listrik hoist, beban dapat diangkat atau diturunkan ke lokasi yang sulit dijangkau secara manual, seperti area tinggi atau ruang sempit.
- Fleksibilitas: Listrik hoist dapat digunakan di berbagai lingkungan kerja dan dapat dipasang di berbagai tempat, memberikan fleksibilitas dalam penggunaannya.
Secara keseluruhan, fungsi listrik hoist adalah untuk menyediakan solusi pengangkatan beban yang efisien, aman, dan dapat diandalkan dalam berbagai aplikasi industri dan konstruksi.
Cara Kerja Listrik Hoist
Cara kerja listrik hoist melibatkan beberapa komponen utama yang bekerja bersama untuk mengangkat atau menurunkan beban dengan menggunakan tenaga listrik. Berikut adalah langkah-langkah umum dalam cara kerja listrik hoist:
- Motor Listrik: Listrik hoist dilengkapi dengan motor listrik yang menjadi sumber tenaga untuk menggerakkan mekanisme pengangkatan. Motor ini biasanya terhubung ke sumber listrik eksternal, seperti listrik AC atau DC.
- Pulley atau Drum: Motor listrik menggerakkan pulley atau drum melalui gigi atau sabuk penggerak. Pulley atau drum ini adalah bagian yang bekerja langsung dengan tali, rantai, atau kabel yang digunakan untuk mengangkat beban.
- Rantai, Kabel, atau Tali: Rantai, kabel, atau tali terpasang pada pulley atau drum dan dihubungkan ke beban yang akan diangkat. Ketika motor listrik diaktifkan, mereka menarik atau melepaskan rantai, kabel, atau tali untuk mengangkat atau menurunkan beban.
- Kontrol dan Pengendali: Listrik hoist dilengkapi dengan kontrol dan pengendali yang memungkinkan pengguna untuk mengontrol operasi hoist. Pengendali ini biasanya termasuk tombol atau tuas untuk menggerakkan hoist ke atas, ke bawah, atau berhenti, serta kontrol untuk mengatur kecepatan dan arah pengangkatan.
- Sistem Pengaman: Hoist listrik juga dilengkapi dengan berbagai sistem pengaman, seperti rem otomatis dan sensor beban berlebih, untuk mencegah kecelakaan dan kerusakan peralatan. Sensor beban berlebih akan mendeteksi jika beban yang diangkat melebihi kapasitas yang aman dan akan menghentikan operasi pengangkatan untuk mencegah kerusakan.
- Struktur Penyangga: Listrik hoist biasanya terpasang pada struktur penyangga yang kuat, seperti balok, dinding, atau struktur atap, untuk mendukung beban yang diangkat dan memastikan operasi yang aman.
Dengan bekerja bersama-sama, komponen-komponen ini memungkinkan listrik hoist untuk mengangkat atau menurunkan beban dengan efisien, aman, dan dapat diandalkan sesuai kebutuhan.
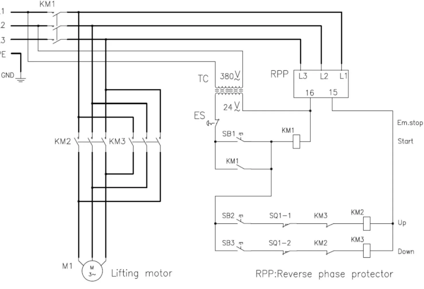
Perancangan Rangkaian Listrik Hoist
Perancangan rangkaian listrik hoist harus memperhitungkan beberapa faktor penting, termasuk keamanan, kontrol operasi, dan efisiensi. Berikut ini adalah langkah-langkah umum dalam merancang rangkaian listrik hoist:
- Penentuan Kebutuhan Listrik: Tentukan kebutuhan listrik hoist, termasuk daya yang dibutuhkan oleh motor penggerak, sistem kontrol, dan perangkat pengaman. Pastikan bahwa sumber listrik yang tersedia memadai untuk mendukung kebutuhan tersebut.
- Pemilihan Komponen: Pilih komponen elektrikal yang sesuai dengan kebutuhan hoist, seperti motor listrik, kontaktor, relay termal, saklar pengendali, dan perangkat pengaman lainnya. Pastikan bahwa komponen yang dipilih memiliki kapasitas yang cukup untuk menangani beban yang akan diangkat.
- Pengaturan Kontrol Operasi: Desain pengaturan kontrol operasi yang sesuai, termasuk tombol pengendali untuk menggerakkan hoist ke atas, ke bawah, dan berhenti. Anda juga perlu mempertimbangkan pengaturan untuk mengatur kecepatan pengangkatan dan penurunan.
- Pengaman: Pastikan untuk memasukkan perangkat pengaman yang sesuai, seperti saklar batas atas dan bawah untuk menghentikan operasi hoist ketika beban mencapai posisi tertentu, sensor beban berlebih untuk mencegah pengangkatan beban yang melebihi kapasitas hoist, dan rem otomatis untuk menghentikan operasi hoist saat tidak dalam penggunaan.
- Rangkaian Kontrol: Rancang rangkaian kontrol yang jelas dan terstruktur dengan baik, termasuk pengaturan kabel dan konektor yang tepat antara semua komponen elektrikal. Pastikan bahwa rangkaian ini mematuhi standar keselamatan listrik yang berlaku dan menghindari kerusakan atau gangguan yang mungkin terjadi.
- Pemasangan dan Pengujian: Setelah merancang rangkaian, lakukan pemasangan komponen secara hati-hati dan pastikan semua koneksi elektrikal terhubung dengan baik dan aman. Setelah pemasangan selesai, lakukan pengujian fungsional untuk memastikan bahwa hoist beroperasi dengan baik dan sesuai dengan spesifikasi yang diinginkan.
- Pelabelan dan Dokumentasi: Labeli semua komponen dan kabel secara jelas untuk memudahkan pemeliharaan dan perbaikan di masa mendatang. Selain itu, buat dokumentasi yang rinci tentang listrik hoist, termasuk diagram rangkaian dan spesifikasi komponen untuk referensi di masa mendatang.
Dengan mengikuti langkah-langkah ini dan memperhatikan detail-detail penting, Anda dapat merancang listrik hoist yang aman, efisien, dan dapat diandalkan sesuai kebutuhan Anda. Pastikan untuk selalu mematuhi peraturan dan standar keselamatan listrik yang berlaku dalam proses perancangan dan pemasangan.
Alat & Bahan
Beberapa alat dan bahan yang umumnya digunakan dalam perancangan dan instalasi rangkaian listrik hoist antara lain:
- Motor listrik: Sebagai sumber tenaga utama untuk menggerakkan mekanisme pengangkat.
- Rantai atau kabel baja: Digunakan sebagai media pengait beban yang akan diangkat.
- Drum: Tempat penyimpanan rantai atau kabel baja yang berputar saat motor diaktifkan.
- Saklar pengaman: Untuk memutus daya listrik saat terjadi kelebihan beban atau situasi darurat lainnya.
- Panel kontrol: Untuk mengontrol operasi hoist termasuk pengaturan kecepatan dan arah gerakan.
- Relay dan kontaktor: Untuk mengontrol arus listrik yang mengalir ke motor hoist.
Keunggulan Menggunakan Listrik Hoist
Ada beberapa keunggulan yang dapat diperoleh dengan menggunakan listrik hoist dalam proses pengangkatan beban, antara lain:
- Kapasitas Angkat yang Tinggi: Listrik hoist dapat mengangkat beban dengan kapasitas yang jauh lebih besar dibandingkan dengan pengangkatan manual.
- Presisi dan Kontrol: Pengguna dapat mengontrol pengangkatan dan penurunan beban dengan lebih tepat dan presisi menggunakan kontrol remote atau panel kontrol.
- Efisiensi Kerja: Proses pengangkatan menjadi lebih efisien dan cepat, sehingga meningkatkan produktivitas kerja.
- Keselamatan: Penggunaan listrik hoist dapat mengurangi risiko cedera pada pekerja karena mengurangi keterlibatan tenaga manusia dalam proses pengangkatan beban.
Kelebihan & Kekurangan
Kelebihan:
- Efisiensi Kerja: Listrik hoist dapat meningkatkan efisiensi dalam proses pengangkatan beban.
- Kapasitas Angkat: Hoist dapat mengangkat beban dengan kapasitas yang lebih besar dibandingkan dengan pengangkatan manual.
- Kontrol Presisi: Pengguna dapat mengontrol operasi hoist dengan lebih presisi menggunakan kontrol remote atau panel kontrol.
Kekurangan:
- Biaya: Biaya awal untuk membeli dan menginstal listrik hoist bisa cukup tinggi.
- Perawatan: Membutuhkan perawatan berkala untuk menjaga kinerja hoist dan mencegah kerusakan.
- Ketergantungan pada Listrik: Listrik hoist tidak dapat beroperasi tanpa pasokan listrik, sehingga rentan terhadap gangguan atau pemadaman listrik.
Kesimpulan
Listrik hoist adalah alat yang penting dalam berbagai industri untuk memudahkan proses pengangkatan atau penurunan beban yang berat dan besar secara vertikal. Dengan menggunakan rangkaian listrik hoist, pekerja dapat meningkatkan efisiensi kerja, meningkatkan keselamatan, dan mengurangi risiko cedera. Meskipun memiliki beberapa kekurangan seperti biaya awal yang tinggi dan ketergantungan pada pasokan listrik, keunggulan dalam hal kapasitas angkat dan kontrol presisi membuat listrik hoist tetap menjadi pilihan yang populer dalam lingkup industri modern.


