Dalam dunia audio, kualitas suara merupakan hal yang tak terbantahkan pentingnya. Terutama dalam sistem pengeras suara publik (PA system), kualitas suara yang jernih dan nyaring adalah kunci utama untuk menyampaikan pesan dengan efektif. Salah satu elemen penting dalam mencapai kualitas suara yang optimal adalah penggunaan skema trafo matching speaker TOA. TOA Corporation telah lama dikenal sebagai pemimpin dalam teknologi audio profesional. Salah satu inovasi terbesarnya adalah penggunaan trafo matching pada speaker mereka. Trafo matching memungkinkan pengguna untuk mengatur impedansi speaker secara optimal dengan sumber daya yang diberikan, sehingga menghasilkan suara yang lebih jernih dan terfokus. Dengan memahami skema trafo matching speaker TOA, pengguna dapat mengoptimalkan pengalaman mendengarkan mereka. Ini tidak hanya berlaku untuk lingkungan publik seperti aula, gedung pertemuan, atau tempat ibadah, tetapi juga penting untuk pengaturan audio profesional di studio rekaman atau panggung konser. Dalam pembahasan lebih lanjut, Elektronike.id akan mengeksplorasi lebih dalam tentang bagaimana skema trafo matching bekerja, manfaatnya dalam meningkatkan kualitas suara, serta tips praktis untuk mengimplementasikannya secara efektif dalam berbagai konteks audio. Jangan lewatkan kesempatan ini untuk meningkatkan pemahaman Anda tentang teknologi audio yang sangat relevan ini. Mari kita jelajahi lebih dalam bersama-sama!
Pengertian Trafo Matching Speaker TOA
Trafo matching speaker TOA merupakan sebuah perangkat yang penting dalam sistem audio, terutama dalam menghubungkan speaker dengan sumber daya suara yang sesuai. Istilah “trafo matching” mengacu pada proses mencocokkan impedansi speaker dengan output amplifier atau sumber suara lainnya. TOA adalah merek terkenal dalam industri audio yang sering menggunakan trafo matching speaker TOA dalam produk-produk mereka.
Dalam konteks ini, “impedansi” adalah hambatan listrik yang menghalangi arus listrik mengalir. Setiap speaker dan amplifier memiliki nilai impedansi yang berbeda, dan trafo matching digunakan untuk menyamakan atau “mencocokkan” impedansi ini agar suara dapat ditransmisikan dengan baik tanpa kehilangan kualitas atau daya.
Pada dasarnya, trafo matching speaker TOA berfungsi sebagai perantara antara speaker dan sumber suara, memastikan bahwa keduanya cocok satu sama lain untuk hasil suara yang optimal.
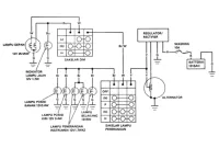
Skema Trafo Matching Speaker TOA
Skema trafo matching speaker TOA adalah diagram atau rancangan yang menunjukkan cara menghubungkan speaker dengan sumber suara menggunakan trafo matching. Skema ini penting untuk dipahami agar pengguna dapat mengoptimalkan kinerja sistem audio mereka.
Dalam skema trafo matching, komponen-komponen seperti speaker, amplifier, dan trafo matching diatur dengan benar sesuai dengan spesifikasi dan kebutuhan masing-masing. Misalnya, impedansi speaker harus sesuai dengan impedansi yang ditangani oleh trafo matching dan amplifier untuk menghindari distorsi suara atau kerusakan pada perangkat.
Memahami skema trafo matching juga membantu dalam mengidentifikasi koneksi yang salah atau tidak tepat yang dapat mengakibatkan kualitas suara yang buruk atau bahkan kerusakan pada perangkat audio.
Jenis Trafo Matching Speaker TOA
TOA adalah merek peralatan audio profesional yang dikenal luas. Trafo pada speaker TOA biasanya digunakan untuk mencocokkan impedansi speaker dengan sumber daya amplifier atau sistem audio yang digunakan. Jenis trafo yang digunakan dapat bervariasi tergantung pada konfigurasi sistem audio dan kebutuhan spesifik. Berikut adalah beberapa jenis trafo yang umum digunakan dalam pengaturan speaker TOA:
- Trafo Line Matching: Trafo line matching digunakan untuk mencocokkan impedansi input speaker dengan output amplifier atau sumber audio. Ini memastikan bahwa daya yang diterima oleh speaker cocok dengan kebutuhan daya speaker tersebut.
- Trafo Impedansi: Trafo impedansi digunakan untuk mengubah impedansi speaker agar sesuai dengan konfigurasi sistem audio. Ini dapat membantu dalam menyesuaikan speaker dengan berbagai jenis amplifier atau sistem audio.
- Trafo Step-Up/Step-Down: Trafo step-up atau step-down dapat digunakan untuk menyesuaikan level sinyal antara perangkat audio yang berbeda. Ini berguna jika Anda memiliki perangkat audio dengan level keluar yang berbeda dan ingin mencocokkannya agar sesuai.
- Trafo Isolasi: Trafo isolasi dapat digunakan untuk mengisolasi sistem audio dari sumber listrik, mengurangi gangguan dan noise yang disebabkan oleh ground loops atau interferensi listrik.
Pemilihan jenis trafo yang tepat tergantung pada kebutuhan spesifik sistem audio Anda, termasuk impedansi speaker, konfigurasi amplifier, dan lingkungan penggunaan. Pastikan untuk memilih trafo yang sesuai dengan spesifikasi perangkat audio Anda untuk hasil yang optimal.
Komponen pada Trafo Matching Speaker TOA
Trafo yang digunakan untuk mencocokkan speaker dengan sumber daya amplifier atau sistem audio seringkali terdiri dari beberapa komponen yang penting. Berikut adalah komponen-komponen yang umumnya terdapat dalam trafo matching speaker TOA:
- Kumparan Primer (Primary Coil): Ini adalah kumparan pertama pada trafo yang menerima sinyal input dari amplifier atau sumber audio.
- Kumparan Sekunder (Secondary Coil): Kumparan ini berada di sisi output trafo dan menghasilkan sinyal yang sesuai untuk speaker.
- Inti Besi (Iron Core): Inti besi biasanya digunakan untuk meningkatkan efisiensi trafo dengan memfokuskan medan magnetik dan memungkinkan transfer daya yang lebih baik antara kumparan primer dan sekunder.
- Tap-Tap (Taps): Tap-tap adalah titik-titik di kumparan sekunder yang memungkinkan untuk memilih impedansi output yang berbeda. Dengan memilih tap yang sesuai, Anda dapat mengatur impedansi keluaran untuk cocok dengan speaker tertentu atau kebutuhan sistem audio.
- Lilitan Tambahan (Additional Windings): Kadang-kadang, trafo matching speaker TOA memiliki lilitan tambahan untuk tujuan khusus, seperti untuk menghasilkan tegangan untuk sirkuit pelindung atau sistem pemantauan.
- Pelindung (Enclosure): Trafo umumnya terpasang di dalam wadah atau pelindung untuk melindungi komponen-komponen internal dari kerusakan fisik dan untuk mengisolasi mereka dari lingkungan eksternal.
- Terminal atau Konektor (Terminals or Connectors): Ini digunakan untuk menghubungkan trafo dengan perangkat audio, termasuk kabel yang terhubung ke amplifier dan speaker.
- Label atau Marka: Trafo biasanya memiliki label atau marka yang menunjukkan spesifikasi penting, seperti impedansi input dan output, daya maksimum, dan informasi lainnya yang relevan.
- Pemisah Ground (Ground Isolation): Beberapa trafo matching speaker TOA dapat dilengkapi dengan pemisah ground untuk mengurangi gangguan dan noise yang disebabkan oleh ground loops dalam sistem audio.
- Pembungkus Isolasi (Insulation Wrapping): Untuk melindungi kumparan dan komponen lain dari kerusakan atau hubungan pendek, trafo biasanya dibungkus dengan bahan isolasi seperti plastik atau kertas.
Ini adalah beberapa komponen umum yang dapat Anda temui dalam trafo matching speaker TOA. Desain dan spesifikasi trafo dapat bervariasi tergantung pada kebutuhan aplikasi dan model trafo yang digunakan.
Tips Mengoptimalkan Penggunaan Skema Trafo Matching Speaker TOA
Memiliki skema trafo matching speaker TOA yang tepat adalah langkah pertama, namun penting juga untuk mengoptimalkan penggunaannya agar mendapatkan kualitas suara yang terbaik. Berikut adalah beberapa tips yang dapat membantu dalam mengoptimalkan penggunaan skema trafo matching:
- Pilih Trafo Matching yang Sesuai: Pastikan trafo matching yang dipilih cocok dengan impedansi speaker dan sumber suara yang digunakan. Ini membantu mencegah distorsi suara dan kerusakan pada perangkat.
- Periksa Koneksi Secara Berkala: Selalu periksa koneksi antara speaker, trafo matching, dan sumber suara secara berkala untuk memastikan tidak ada koneksi yang longgar atau rusak.
- Jaga Kebersihan dan Perawatan: Lindungi trafo matching dari debu, kelembaban, atau kerusakan fisik lainnya dengan membersihkan secara teratur dan menjaga lingkungan penyimpanan yang tepat.
- Gunakan Kabel Berkualitas Tinggi: Penggunaan kabel yang berkualitas tinggi dapat meningkatkan transfer sinyal audio dan mengurangi kemungkinan gangguan atau distorsi suara.
- Konsultasikan dengan Profesional: Jika mengalami masalah dengan sistem audio atau trafo matching, lebih baik berkonsultasi dengan profesional audio yang berpengalaman untuk diagnosis dan solusi yang tepat.
Dengan mengikuti tips ini, pengguna dapat memastikan penggunaan skema trafo matching speaker TOA yang optimal untuk mendapatkan kualitas suara yang terbaik dari sistem audio mereka.
Kesimpulan
Trafo matching speaker TOA adalah komponen krusial dalam sistem audio yang membantu menghubungkan speaker dengan sumber suara dengan benar. Memahami pengertian, skema, jenis, komponen, dan tips penggunaan trafo matching sangat penting untuk mengoptimalkan kinerja sistem audio.
Dengan memilih trafo matching yang tepat, mengikuti skema yang benar, dan mengikuti tips penggunaan, pengguna dapat menjamin kualitas suara yang optimal dan mencegah kerusakan pada perangkat audio mereka. Jika menghadapi kesulitan atau masalah, selalu bijaksana untuk berkonsultasi dengan profesional audio yang berpengalaman untuk bantuan lebih lanjut.
Dengan demikian, pemahaman yang baik tentang trafo matching speaker TOA akan membantu pengguna dalam membangun dan mengoperasikan sistem audio dengan efisien dan efektif.


