Vespa Excel telah menjadi ikon mobilitas yang elegan dan andal sejak diperkenalkan pertama kali. Di balik desain klasiknya yang memukau, terdapat sistem kelistrikan yang membantu menjaga Vespa Excel tetap berfungsi dengan baik dalam berbagai kondisi. Memahami skema kelistrikan Vespa Excel tidak hanya memberikan wawasan mendalam tentang bagaimana kendaraan ini beroperasi, tetapi juga memungkinkan pemiliknya untuk melakukan pemeliharaan dan perbaikan dengan lebih efektif. Skema kelistrikan Vespa Excel mencakup berbagai komponen penting seperti sistem pengapian, lampu-lampu, klakson, dan pengisian baterai. Dengan memahami bagaimana semua komponen ini saling terhubung dan berinteraksi, pemilik Vespa Excel dapat dengan mudah mengatasi masalah-masalah umum yang terkait dengan sistem kelistrikan.
Apakah Anda seorang penggemar Vespa yang ingin menggali lebih dalam tentang jantung kendaraan klasik ini? Simaklah pembahasan lebih lanjut tentang skema kelistrikan Vespa Excel untuk mendapatkan pemahaman yang lebih mendalam. Dalam pembahasan berikutnya, Elektronike.id akan menjelajahi setiap komponen utama dalam sistem kelistrikan Vespa Excel, menyoroti pentingnya pemeliharaan rutin, dan memberikan tips praktis untuk menjaga kendaraan ini tetap berjalan dengan lancar. Mari bergabung dalam petualangan pengetahuan ini dan gali lebih dalam tentang keajaiban teknologi sederhana di balik keindahan Vespa Excel. Bersiaplah untuk terpesona dan terinspirasi oleh keajaiban mesin yang telah mengantar generasi demi generasi ke petualangan di jalan raya!
Memahami Kelistrikan Vespa Excel
Memahami kelistrikan Vespa Excel merupakan langkah penting bagi para pemilik dan pengguna Vespa Excel. Seiring dengan perkembangan teknologi, sistem kelistrikan pada kendaraan pun semakin kompleks. Namun, dengan pemahaman yang cukup, Anda dapat lebih mudah melakukan perawatan dan perbaikan saat diperlukan.
Kelistrikan pada Vespa Excel memegang peranan yang sangat vital dalam menjaga kinerja dan performa keseluruhan kendaraan. Mulai dari sistem pengapian, lampu-lampu, hingga fitur-fitur elektronik lainnya, semuanya terhubung dalam satu rangkaian yang kompleks. Oleh karena itu, pemahaman mendalam mengenai skema kelistrikan Vespa Excel akan sangat membantu dalam menjaga kendaraan tetap beroperasi dengan baik.
Salah satu hal yang perlu dipahami adalah bagaimana komponen-komponen dalam sistem kelistrikan ini saling berhubungan dan berinteraksi. Dengan pemahaman yang baik, Anda dapat mengidentifikasi masalah dengan cepat dan mengambil langkah-langkah yang tepat untuk memperbaikinya.
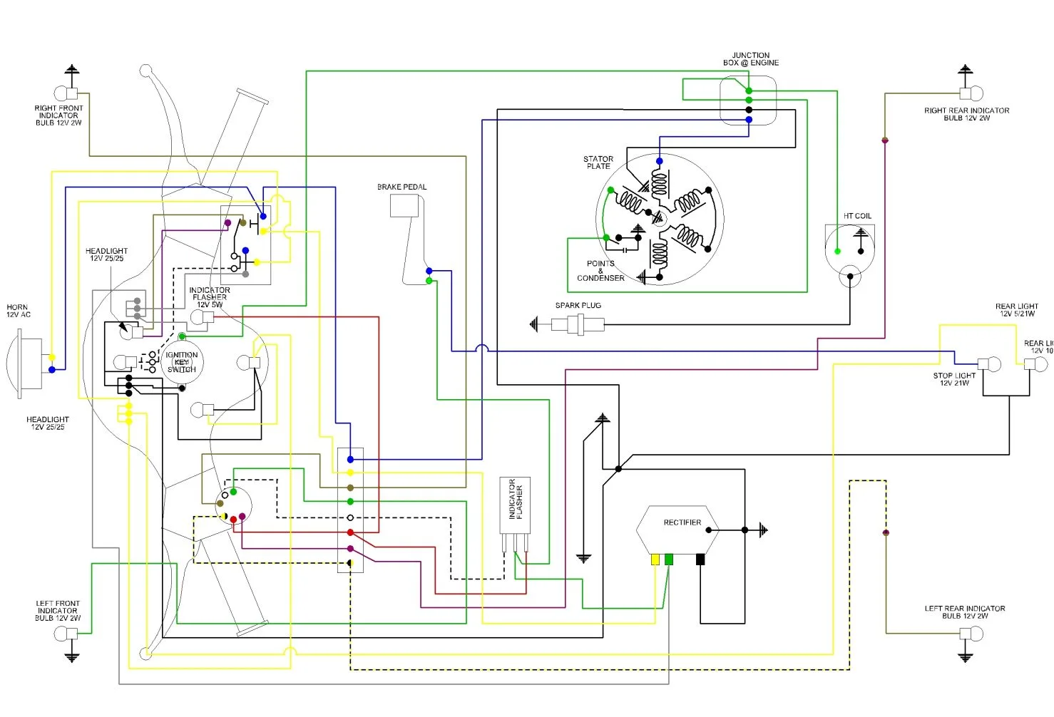
Membaca Kelistrikan Vespa Excel
Untuk membaca kelistrikan Vespa Excel, Anda akan memerlukan pemahaman tentang diagram kelistrikan serta komponen-komponen utamanya. Berikut adalah langkah-langkah umum untuk membaca kelistrikan Vespa Excel:
- Dapatkan Diagram Kelistrikan: Diagram kelistrikan Vespa Excel dapat ditemukan dalam manual servis atau buku panduan kendaraan. Anda bisa mencarinya secara daring atau mendapatkan salinan fisik dari toko suku cadang atau bengkel motor.
- Pahami Simbol dan Kode Warna: Sebelum membaca diagram, penting untuk memahami simbol-simbol yang digunakan. Simbol-simbol ini akan mewakili komponen seperti lampu, sakelar, kabel, relay, dan lain-lain. Selain itu, kode warna kabel juga penting untuk dipahami, karena biasanya kabel dengan warna yang sama memiliki fungsi yang serupa.
- Identifikasi Komponen Utama: Dalam diagram, Anda akan melihat komponen-komponen utama seperti lampu depan, lampu belakang, lampu sein, klakson, pengisian baterai, dan sistem pengapian. Identifikasi komponen-komponen ini dalam diagram.
- Ikuti Aliran Listrik: Dari sumber daya seperti baterai atau magneto, ikuti jalur aliran listrik ke setiap komponen. Biasanya, diagram akan menunjukkan arah aliran listrik dan bagaimana komponen-komponen terhubung satu sama lain.
- Perhatikan Koneksi dan Relay: Perhatikan koneksi antar komponen serta penggunaan relay dalam sistem. Relay digunakan untuk mengontrol aliran listrik dalam sistem kelistrikan, terutama untuk beban yang lebih besar seperti lampu utama.
- Cari Tahu Fungsi Setiap Bagian: Setelah memahami bagaimana komponen terhubung, pelajari fungsi setiap bagian. Misalnya, lampu depan berfungsi untuk memberikan penerangan saat berkendara di malam hari, lampu belakang untuk sinyal rem, dan lampu sein untuk menunjukkan arah pergerakan.
- Periksa Troubleshooting dan Solusi Masalah: Diagram kelistrikan juga dapat mencakup bagian troubleshooting dan solusi masalah. Jika Anda mengalami masalah dengan sistem kelistrikan, diagram dapat membantu Anda mengidentifikasi masalah dan mencari solusinya.
Dengan memahami diagram kelistrikan Vespa Excel, Anda akan lebih siap untuk melakukan pemeliharaan, perbaikan, atau penyesuaian pada sistem kelistrikan tersebut. Jika Anda tidak yakin tentang sesuatu dalam diagram, selalu disarankan untuk berkonsultasi dengan mekanik yang berpengalaman.
Melakukan Perbaikan Pada Sistem Kelistrikan Vespa Excel
Ketika sistem kelistrikan Vespa Excel mengalami masalah, langkah pertama yang harus dilakukan adalah melakukan diagnosis untuk mengetahui penyebab masalah tersebut. Dengan memahami skema kelistrikan, Anda dapat dengan cepat mengidentifikasi komponen mana yang mengalami kerusakan atau gangguan.
Setelah masalah teridentifikasi, langkah selanjutnya adalah melakukan perbaikan. Hal ini bisa meliputi penggantian komponen yang rusak, perbaikan kabel yang putus atau kendor, atau pembersihan dari kotoran atau korosi yang mengganggu aliran listrik.
Penting untuk diingat bahwa melakukan perbaikan pada sistem kelistrikan memerlukan kehati-hatian dan keakuratan. Salah langkah dapat menyebabkan kerusakan lebih lanjut atau bahkan risiko kebakaran. Jika Anda tidak yakin atau tidak memiliki pengalaman dalam melakukan perbaikan kelistrikan, sebaiknya serahkan kepada mekanik yang terlatih.
Menjaga Sistem Kelistrikan Vespa Excel Dalam Kondisi Baik
Menjaga sistem kelistrikan Vespa Excel dalam kondisi baik adalah langkah penting untuk memastikan kinerja yang optimal dan keamanan saat berkendara. Berikut adalah beberapa tips untuk menjaga sistem kelistrikan Vespa Excel dalam kondisi baik:
- Periksa Kabel dan Konektor secara Berkala: Periksa semua kabel dan konektor untuk memastikan tidak ada yang rusak atau longgar. Pastikan kabel-kabel tersebut tidak terkelupas atau terkena gesekan yang berpotensi merusak isolasinya.
- Pembersihan Konektor dan Kontak: Bersihkan konektor dan kontak dengan menggunakan sikat lembut atau udara bertekanan rendah untuk menghilangkan debu, kotoran, atau korosi. Pastikan konektor dan kontak kering sebelum dipasang kembali.
- Periksa Sakelar dan Tombol: Pastikan sakelar dan tombol berfungsi dengan baik dan responsif saat digunakan. Bersihkan dan pelumas jika perlu untuk memastikan kinerja yang optimal.
- Periksa Lampu dan Sinyal: Periksa lampu depan, lampu belakang, lampu sein, serta lampu indikator lainnya secara teratur. Ganti lampu yang mati atau redup dengan segera.
- Perawatan Baterai: Pastikan baterai dalam kondisi baik dengan memeriksa level air (jika baterai jenis basah) dan tegangan. Isi baterai jika perlu dan pastikan terminalnya bersih dari korosi.
- Perawatan Stator dan Regulator: Periksa kondisi stator dan regulator untuk memastikan tidak ada kebocoran minyak atau kerusakan fisik lainnya. Pastikan pengisian baterai berfungsi dengan baik dan tegangan keluaran stabil.
- Perawatan Pengapian: Periksa kondisi busi, kabel busi, dan coil pengapian secara teratur. Pastikan busi dalam kondisi baik dan kabel-kabel tidak terkelupas atau terkena gesekan yang berlebihan.
- Gunakan Perlindungan Tambahan: Untuk menjaga sistem kelistrikan dari gangguan eksternal seperti air atau debu, Anda bisa menggunakan perlindungan tambahan seperti pelindung kabel atau selongsong kabel.
- Lakukan Pemeliharaan Rutin: Lakukan pemeliharaan rutin sesuai dengan jadwal yang ditentukan dalam manual servis. Ini termasuk pemeriksaan, penggantian, atau pelumasan komponen yang diperlukan.
Dengan menjaga sistem kelistrikan Vespa Excel dalam kondisi baik, Anda dapat memastikan kenyamanan dan keamanan saat berkendara serta menghindari masalah yang tidak diinginkan yang dapat mempengaruhi kinerja kendaraan. Jika Anda tidak yakin tentang perawatan atau perbaikan tertentu, sebaiknya berkonsultasi dengan mekanik yang berpengalaman.
Tips Penting pada Skema Kelistrikan Vespa Excel
Ada beberapa tips penting yang perlu diperhatikan terkait dengan skema kelistrikan Vespa Excel:
- Pahami Simbol-Simbol: Sebelum mencoba membaca skema kelistrikan, pastikan Anda memahami arti dari setiap simbol yang digunakan dalam skema tersebut. Hal ini akan memudahkan Anda dalam mengidentifikasi komponen-komponen yang tercantum.
- Gunakan Sumber Referensi: Jika Anda kesulitan memahami skema kelistrikan, jangan ragu untuk menggunakan sumber referensi tambahan seperti buku panduan atau sumber online yang terpercaya. Terkadang, penjelasan lebih rinci dapat membantu memperjelas konsep yang sulit dipahami.
- Praktekkan dengan Langsung: Salah satu cara terbaik untuk memahami skema kelistrikan adalah dengan langsung mempraktekkannya pada Vespa Excel Anda. Cobalah untuk mengidentifikasi komponen-komponen yang ada dan hubungan antar mereka sesuai dengan skema yang Anda pelajari.
- Berkonsultasi dengan Ahli: Jika Anda masih mengalami kesulitan atau tidak yakin dengan pemahaman Anda, jangan sungkan untuk berkonsultasi dengan ahli kelistrikan atau mekanik yang berpengalaman. Mereka dapat memberikan bimbingan dan penjelasan tambahan yang dibutuhkan.
Kelebihan & Kekurangan
Seperti halnya dengan sistem kelistrikan pada kendaraan lainnya, skema kelistrikan Vespa Excel juga memiliki kelebihan dan kekurangan.
Kelebihan:
- Representasi visual yang jelas dari semua komponen dan jalur listrik.
- Memudahkan dalam melakukan perawatan dan perbaikan.
- Dapat digunakan sebagai acuan dalam melakukan modifikasi atau peningkatan kinerja.
Kekurangan:
- Membutuhkan pemahaman yang cukup untuk dapat membacanya dengan benar.
- Tidak selalu mencakup semua detail atau varian konfigurasi tertentu.
- Dapat menjadi rumit terutama untuk pemula atau mereka yang tidak berpengalaman.
Kesimpulan
Skema kelistrikan Vespa Excel adalah panduan visual yang penting dalam memahami dan merawat sistem kelistrikan pada kendaraan tersebut. Dengan memahami skema ini, Anda dapat lebih mudah melakukan perawatan, perbaikan, dan modifikasi sesuai dengan kebutuhan Anda.
Penting untuk selalu memperhatikan dan menjaga sistem kelistrikan dalam kondisi baik untuk mencegah terjadinya masalah yang tidak diinginkan. Dengan pemahaman yang cukup dan tindakan pencegahan yang tepat, Anda dapat memastikan Vespa Excel Anda tetap beroperasi dengan baik dan aman dalam jangka waktu yang lama.


