Mesin legendaris dari Yamaha RX King telah mengukir sejarah panjang dalam dunia motor Indonesia. Keandalannya, kekuatannya, dan kekarakteristik uniknya telah membuatnya menjadi favorit di kalangan para penggemar sepeda motor. Namun, di balik kegagahan mesin ini terdapat sebuah misteri yang sering kali luput dari perhatian: skema kelistrikan yang menjadi otak dari performa mesin ini. Skema kelistrikan RX King merupakan inti dari bagaimana mesin ini beroperasi. Mulai dari sistem pengapian hingga distribusi daya listrik ke berbagai komponen lainnya, setiap detailnya memiliki peran penting dalam menyokong kinerja mesin yang tangguh. Namun, seberapa banyak dari kita yang benar-benar memahami bagaimana skema kelistrikan ini bekerja? Apakah kita mengetahui peran masing-masing komponen? Apakah kita tahu bagaimana melakukan perawatan yang tepat agar sistem kelistrikan ini tetap berjalan dengan optimal?
Mari kita telusuri bersama-sama! Dalam pembahasan lebih lanjut, Elektronike.id akan mengupas tuntas skema kelistrikan RX King mulai dari sistem pengapian CDI, kumparan, hingga bagaimana mengidentifikasi dan menyelesaikan masalah yang mungkin terjadi. Bersiaplah untuk memperdalam pengetahuan Anda tentang mesin legendaris ini. Jangan lewatkan kesempatan untuk menyelami dunia yang menarik di balik performa penuh karakteristik dari Yamaha RX King. Saksikan bagaimana kepiawaian teknologi kelistrikan membawa mesin ini melaju dengan kegagahan yang tak tertandingi. Mari kita mulai petualangan pengetahuan kita bersama-sama!
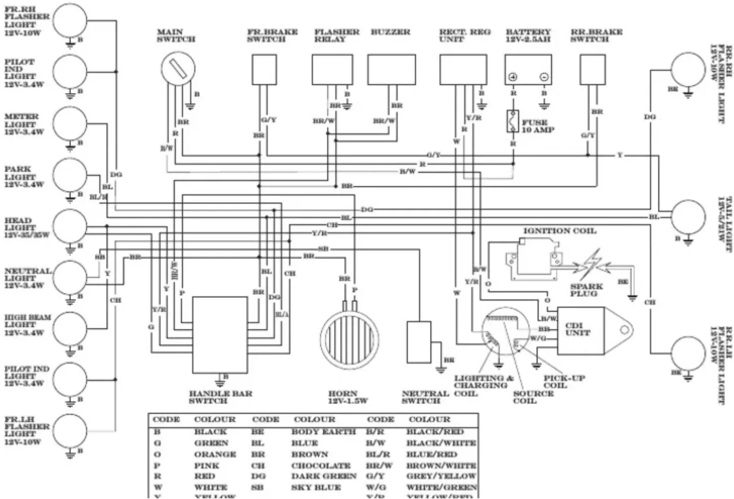
Mengenal Kelistrikan RX King
RX King, sepeda motor legendaris dari Yamaha, memiliki sistem kelistrikan yang merupakan inti dari kinerja dan fungsionalitasnya. Dengan menggunakan sistem pengapian CDI, RX King mampu menghasilkan loncatan api yang kuat di busi, menjadikannya tangguh di jalanan. Koil pengapian yang efisien bekerja sama dengan busi yang tahan panas untuk memicu pembakaran yang optimal dalam ruang bakar, menghasilkan tenaga yang kuat dan responsif. Selain itu, sistem pengisian yang handal memastikan baterai selalu terisi penuh saat mesin berjalan, menghindari masalah mogok listrik yang dapat mengganggu pengendara.
Komponen kelistrikan lainnya seperti lampu-lampu depan, lampu belakang, dan lampu sein tidak hanya memberikan pencahayaan yang cukup untuk keamanan pengendara di malam hari, tetapi juga menjadi bagian penting dari identitas desain RX King yang khas. Saklar-saklar yang mudah dijangkau dan kabel-kabel yang teratur menjadi jembatan antara pengendara dan kontrol atas berbagai fungsi motor. Dengan pemahaman yang baik tentang kelistrikan RX King, pengendara dapat memastikan performa yang stabil dan kenyamanan yang maksimal dalam setiap perjalanan.
Komponen Utama dalam Kelistrikan RX King
RX King adalah sepeda motor yang diproduksi oleh Yamaha, terutama populer di Indonesia. Untuk kelistrikan RX King, beberapa komponen utama yang biasanya ada di dalamnya antara lain:
- Aki: Aki adalah sumber daya listrik utama dalam sepeda motor, digunakan untuk memasok daya saat mesin tidak berjalan.
- Stator dan Magneto: Stator dan magneto berfungsi menghasilkan listrik saat mesin berputar. Magneto menghasilkan medan magnet yang berputar bersama-sama dengan mesin, sedangkan stator adalah kumparan kawat di sekitar magneto yang memanfaatkan perubahan medan magnet tersebut untuk menghasilkan listrik.
- Regulator/Rectifier: Regulator atau rectifier berfungsi untuk mengatur arus listrik yang dihasilkan oleh stator agar sesuai dengan kebutuhan sistem kelistrikan sepeda motor. Ini memastikan bahwa tegangan listrik yang dialirkan ke berbagai komponen elektronik tetap stabil.
- CDI (Capacitor Discharge Ignition): CDI adalah komponen yang mengatur pengapian pada mesin. Ini bekerja dengan mengumpulkan energi dari magneto dan melepaskannya pada waktu yang tepat untuk menghasilkan percikan api pada busi.
- Kabel dan Saklar: Kabel listrik menghubungkan berbagai komponen dalam sistem kelistrikan, sementara saklar digunakan untuk mengontrol aliran listrik, seperti penghidupan mesin, lampu, klakson, dan lainnya.
- Lampu: Termasuk lampu depan, lampu belakang, lampu sein, dan lampu rem. Semua lampu ini merupakan bagian penting dari sistem kelistrikan sepeda motor untuk keamanan dan kebutuhan pencahayaan.
- Fuse (Saklar Pemutus Arus): Fuse atau saklar pemutus arus digunakan untuk melindungi sistem kelistrikan dari korsleting atau lonjakan arus yang berlebihan. Fuse akan terbakar jika arus listrik melebihi kapasitasnya, sehingga melindungi komponen lainnya dari kerusakan.
- Komponen Elektronik Tambahan: Bisa termasuk sensor suhu mesin, sensor posisi throttle, atau komponen lainnya yang terkait dengan sistem kontrol mesin dan kelistrikan.
Setiap komponen ini bekerja bersama-sama untuk memastikan kelistrikan RX King berfungsi dengan baik, memungkinkan kendaraan untuk beroperasi dengan aman dan efisien.
Cara Kerja Kelistrikan RX King
Sistem kelistrikan pada sepeda motor RX King, seperti halnya pada sepeda motor lainnya, memiliki beberapa komponen yang bekerja bersama untuk menjalankan fungsi-fungsi berikut:
- Pengapian Mesin: Proses pengapian pada mesin RX King dikendalikan oleh CDI (Capacitor Discharge Ignition). CDI mengatur waktu pengapian dengan menerima sinyal dari magneto yang menghasilkan arus listrik saat mesin berputar. Ketika magneto menghasilkan medan magnet yang berubah-ubah, CDI menumpuk energi dan melepaskannya pada waktu yang tepat ke busi untuk menyebabkan api.
- Pengisian Aki: Ketika mesin RX King berputar, stator dan magneto menghasilkan arus listrik yang digunakan untuk mengisi aki. Aki ini kemudian menyimpan energi listrik untuk digunakan saat mesin dimatikan atau saat kebutuhan listrik lainnya.
- Penggunaan Daya: Arus listrik yang dihasilkan oleh stator dan magneto juga digunakan untuk menyediakan daya ke berbagai sistem dan komponen pada sepeda motor, seperti lampu depan, lampu belakang, lampu sein, klakson, dan sistem elektronik lainnya.
- Regulasi Tegangan: Regulator/Rectifier memastikan bahwa tegangan listrik yang dihasilkan oleh stator dan magneto tetap stabil. Ini dilakukan dengan mengatur arus listrik yang masuk ke aki dan sistem kelistrikan lainnya. Regulator juga mencegah tegangan berlebih yang dapat merusak komponen elektronik.
- Proteksi: Fuse atau saklar pemutus arus digunakan untuk melindungi sistem kelistrikan dari lonjakan arus yang berlebihan. Jika arus melampaui batas yang aman, fuse akan terputus untuk mencegah kerusakan pada komponen lainnya.
Cara kerja sistem kelistrikan RX King melibatkan interaksi yang kompleks antara berbagai komponen ini. Dengan koordinasi yang baik, sistem kelistrikan ini memastikan bahwa mesin dapat dihidupkan, diaplikasikan dayanya dengan tepat, dan berbagai sistem lainnya dapat berfungsi dengan baik untuk memberikan pengalaman berkendara yang aman dan nyaman bagi pengendara.
Cara Membuat Skema Kelistrikan RX King
Membuat skema kelistrikan RX King merupakan langkah penting bagi para penggemar yang ingin memahami secara mendalam sistem kelistrikan motor ini. Berikut langkah-langkah dalam membuat skema kelistrikan RX King:
- Identifikasi Komponen: Kenali komponen-komponen utama yang terlibat dalam kelistrikan RX King.
- Rancang Diagram: Buatlah diagram yang mencakup semua komponen serta hubungan antaranya.
- Tandai Koneksi: Beri label pada setiap kabel dan sambungan dalam skema untuk memudahkan pemahaman.
- Perhatikan Arus: Pastikan arus listrik mengalir secara tepat sesuai dengan spesifikasi teknis.
Tips Perawatan Skema Kelistrikan RX King
Agar skema kelistrikan RX King tetap berfungsi optimal, diperlukan perawatan berkala. Berikut beberapa tips perawatan yang dapat dilakukan:
- Cek Kabel dan Konektor: Pastikan tidak ada kabel yang terkelupas atau konektor yang kendur.
- Periksa Aki: Lakukan pengecekan terhadap kondisi aki secara berkala, pastikan selalu dalam kondisi terisi penuh dan tidak bocor.
- Bersihkan Komponen: Singkirkan kotoran atau korosi pada komponen kelistrikan untuk menjaga aliran listrik yang lancar.
- Lakukan Tes Reguler: Lakukan tes reguler terhadap semua komponen untuk memastikan kinerjanya masih dalam batas normal.
Kerusakan pada Kelistrikan RX King
Meskipun sistem kelistrikan RX King dirancang untuk keandalan, namun masih mungkin terjadi kerusakan akibat berbagai faktor seperti penggunaan yang kurang baik atau faktor usia. Beberapa masalah umum yang dapat terjadi antara lain:
- Aki Bermasalah: Terjadi akibat usia pakai yang sudah tua atau karena penggunaan yang kurang baik.
- Kabel Putus: Kabel kelistrikan yang putus dapat menyebabkan berbagai komponen tidak berfungsi dengan baik.
- CDI Rusak: Kerusakan pada CDI dapat menyebabkan masalah pada sistem pengapian.
- Alternator Rusak: Alternator yang rusak dapat mengakibatkan tidak tercukupinya pasokan listrik ke berbagai komponen.
Kelebihan & Kekurangan
Kelebihan:
- Performa Tinggi: Sistem kelistrikan RX King dirancang untuk mendukung performa mesin yang tinggi.
- Andal: Ketahanan dan keandalan sistem kelistrikan RX King telah terbukti sejak lama.
- Modifikasi Mudah: Memiliki banyak opsi untuk dimodifikasi sesuai dengan kebutuhan pengguna.
Kekurangan:
- Kelistrikan Kompleks: Sistem kelistrikan RX King dapat terasa kompleks bagi pengguna awam.
- Biaya Perawatan: Perawatan kelistrikan RX King dapat memerlukan biaya yang cukup besar tergantung dari kerusakan yang terjadi.
- Memerlukan Pengetahuan Khusus: Memahami serta melakukan perbaikan terhadap kelistrikan RX King memerlukan pengetahuan khusus yang tidak dimiliki oleh semua pengguna.
Kesimpulan
Mengenal dengan baik sistem kelistrikan RX King sangatlah penting bagi para pengguna untuk menjaga performa dan keandalan motor. Dengan pemahaman yang baik tentang komponen-komponen utama, cara kerja, serta tips perawatan yang tepat, diharapkan pengguna dapat mengoptimalkan kinerja serta memperpanjang umur pakai motor mereka. Meskipun terdapat beberapa kelemahan, namun dengan perawatan yang baik, sistem kelistrikan RX King tetap menjadi salah satu yang terbaik di kelasnya.


