Dalam ranah dunia listrik, ada satu elemen yang sering kali diabaikan namun memiliki peran vital dalam menjaga keselamatan dan kinerja sistem secara keseluruhan: grounding atau pengamanan tanah. Grounding adalah suatu proses di mana sebuah sistem listrik terhubung dengan tanah secara langsung atau melalui konduktor yang disebut dengan ground wire. Skema grounding listrik adalah konfigurasi yang dirancang untuk mengatur dan mengarahkan aliran arus listrik melalui tanah, memberikan jalur alternatif bagi arus listrik berlebih yang dapat menyebabkan bahaya bagi manusia dan peralatan. Tanpa skema grounding yang tepat, risiko kebakaran, kerusakan peralatan, dan bahkan cedera serius pada manusia dapat meningkat secara signifikan. Melalui skema grounding yang baik, potensi bahaya dari lonjakan arus, korsleting, dan tegangan berlebih dapat diminimalkan, menjaga integritas sistem listrik dan memberikan perlindungan bagi pengguna.
Namun, untuk memahami lebih dalam tentang pentingnya skema grounding listrik. Dalam artikel ini, Elektronike.id akan membahas lebih lanjut tentang bagaimana grounding bekerja, jenis-jenis skema grounding yang umum digunakan, serta praktik terbaik dalam penerapannya. Dengan demikian, mari kita telusuri bersama-sama dunia yang sering terlupakan namun penting ini, dan pelajari bagaimana kita dapat meningkatkan keselamatan dan kinerja sistem listrik dengan memahami skema grounding secara mendalam. Jangan lewatkan kesempatan ini untuk mengetahui lebih banyak tentang bagaimana skema grounding listrik dapat melindungi kita dari potensi bahaya yang mengintai. Ayo simak pembahasan lebih lanjut tentang grounding listrik dan kreasikan sistem yang lebih aman dan andal.
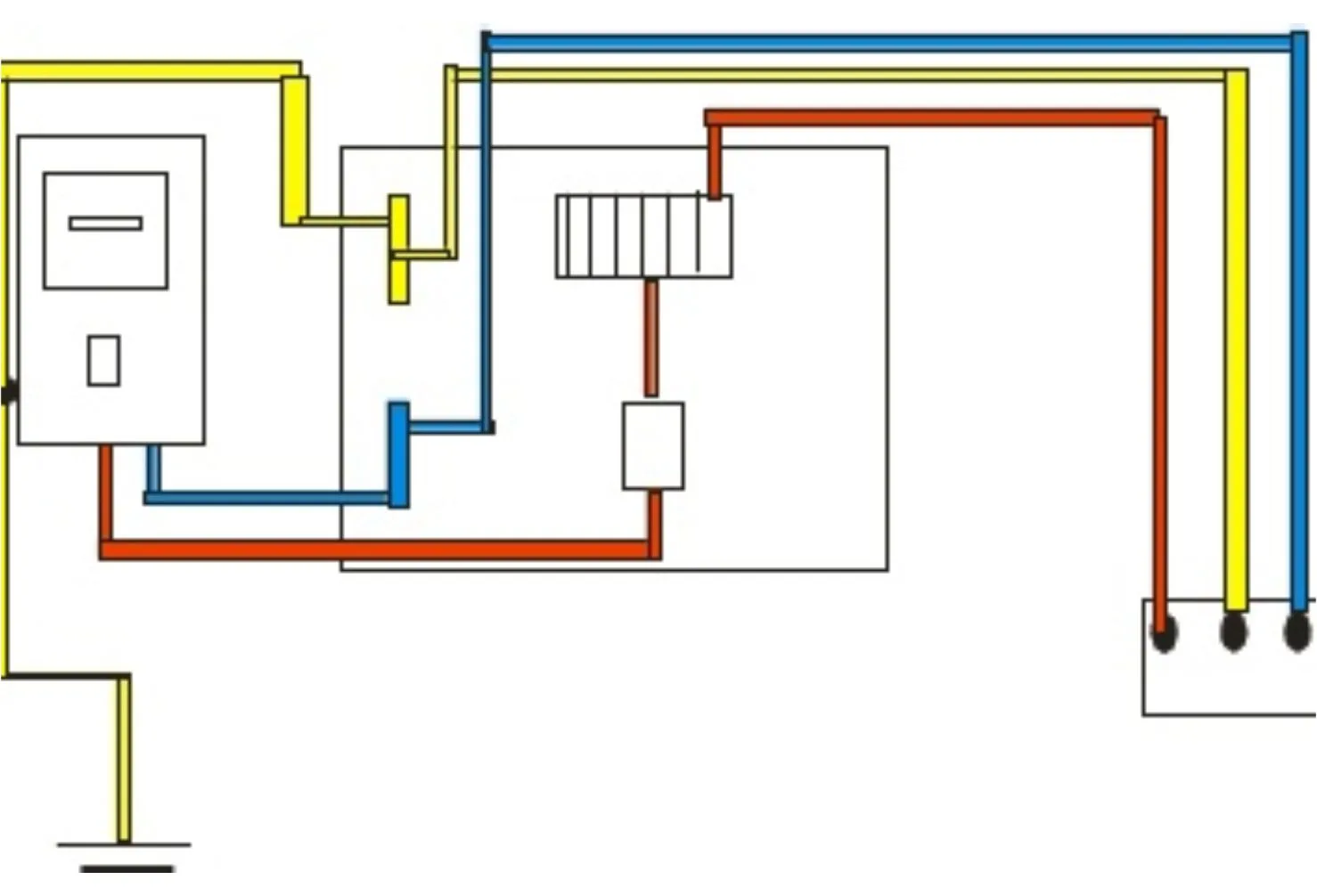
Apa Itu Grounding Listrik?
Grounding listrik merupakan salah satu konsep penting dalam dunia listrik yang sering kali diabaikan namun memiliki dampak yang signifikan terhadap keselamatan dan kinerja sistem listrik. Secara sederhana, grounding listrik adalah proses menyambungkan sistem listrik ke tanah atau bumi. Dalam konteks ini, tanah berfungsi sebagai konduktor yang dapat menyalurkan arus listrik ke dalam tanah jika terjadi gangguan atau kelebihan arus. Konsep grounding ini sangat penting untuk menghindari bahaya kejutan listrik, kebakaran, dan kerusakan peralatan elektronik.
Fungsi Grounding Listrik
Grounding listrik adalah salah satu konsep fundamental dalam sistem listrik yang memiliki peran penting dalam menjaga keselamatan dan kinerja sistem. Fungsi grounding listrik ini sangatlah beragam dan penting untuk dipahami dalam konteks instalasi listrik rumah tangga maupun industri. Berikut adalah beberapa fungsi utama grounding listrik:
- Pelindung Keselamatan: Salah satu fungsi utama grounding listrik adalah sebagai pelindung keselamatan bagi pengguna dan peralatan listrik. Grounding menyediakan jalur alternatif bagi arus listrik berlebih untuk dialirkan ke tanah. Jika terjadi kebocoran arus atau korsleting, grounding akan mengalirkan arus tersebut ke tanah, menghindari terjadinya kejutan listrik yang berbahaya bagi pengguna.
- Pencegahan Kebakaran: Grounding juga berperan dalam mencegah terjadinya kebakaran akibat korsleting atau lonjakan arus listrik. Dengan mengalirkan arus berlebih ke tanah, grounding mengurangi risiko terjadinya panas berlebih yang dapat menyebabkan terbakarnya kabel atau peralatan listrik.
- Stabilisasi Tegangan: Fungsi grounding yang sering kali diabaikan adalah dalam menjaga stabilitas tegangan dalam sistem listrik. Dengan menyediakan jalur alternatif bagi arus pendek, grounding membantu menjaga tegangan listrik tetap stabil dan mencegah terjadinya lonjakan tegangan yang dapat merusak peralatan elektronik.
- Perlindungan Terhadap Petir: Grounding juga berperan dalam melindungi bangunan dan peralatan elektronik dari kerusakan akibat sambaran petir. Dengan menyediakan jalur yang mudah bagi muatan petir untuk dialirkan ke tanah, grounding dapat mengurangi risiko kerusakan yang disebabkan oleh sambaran petir.
- Meningkatkan Kinerja Sistem: Dalam industri dan instalasi listrik yang lebih besar, grounding juga berperan dalam meningkatkan kinerja sistem secara keseluruhan. Dengan menjaga tegangan tetap stabil dan melindungi peralatan dari gangguan listrik, grounding membantu mengurangi risiko gangguan operasional dan downtime yang dapat merugikan.
- Kepatuhan Regulasi: Fungsi grounding juga penting untuk memenuhi regulasi dan standar keselamatan listrik yang berlaku. Banyak regulasi dan standar industri yang mengharuskan adanya sistem grounding yang baik dan efektif sebagai bagian dari instalasi listrik yang aman dan handal.
Dengan memahami berbagai fungsi grounding listrik ini, kita dapat mengaplikasikan prinsip-prinsip grounding dengan lebih baik dalam instalasi listrik kita. Penting untuk selalu memastikan bahwa grounding telah dilakukan dengan benar dan sesuai dengan standar keselamatan yang berlaku untuk menjaga keselamatan pengguna dan kinerja sistem listrik secara keseluruhan.
Pengaruh Grounding pada Meteran Listrik
Dalam sistem listrik rumah tangga, meteran listrik memegang peran penting sebagai alat pengukur konsumsi energi listrik yang digunakan. Penggunaan grounding yang tepat sangat berpengaruh pada kinerja dan keandalan meteran listrik tersebut. Berikut adalah beberapa pengaruh grounding pada meteran listrik:
- Akurasi Pengukuran: Salah satu pengaruh paling signifikan dari grounding pada meteran listrik adalah terhadap akurasi pengukuran energi listrik yang dikonsumsi. Dengan adanya grounding yang baik dan efektif, meteran listrik akan dapat berfungsi secara optimal dalam merekam jumlah energi yang digunakan dengan akurat. Grounding yang buruk atau tidak memadai dapat menyebabkan pembacaan yang tidak akurat, yang pada gilirannya dapat mengakibatkan kesalahan dalam penagihan atau pemakaian energi yang tidak tercatat dengan benar.
- Perlindungan Terhadap Gangguan Listrik: Grounding yang baik juga berperan dalam melindungi meteran listrik dari gangguan listrik yang dapat merusaknya. Ketika terjadi lonjakan tegangan atau arus yang tidak terduga, grounding akan menyediakan jalur alternatif untuk mengalirkan energi berlebih ke tanah, sehingga melindungi meteran listrik dari kerusakan yang disebabkan oleh gangguan listrik tersebut. Hal ini penting untuk menjaga keandalan meteran listrik dan mencegah kerusakan yang dapat mengganggu pengukuran energi secara keseluruhan.
- Pencegahan Kebocoran Arus: Grounding juga dapat membantu dalam mencegah kebocoran arus yang tidak terdeteksi oleh meteran listrik. Ketika terjadi kebocoran arus yang tidak terduga, grounding akan menyediakan jalur untuk mengalirkan arus tersebut ke tanah, sehingga mencegah arus yang tidak tercatat oleh meteran listrik. Hal ini penting untuk menghindari pemakaian energi yang tidak terkontrol dan mencegah kerugian finansial bagi pengguna.
- Prolonged Meter Lifespan: A well-grounded electrical meter also tends to have a longer lifespan. By providing a stable operating environment and protecting the meter from electrical disturbances, grounding helps extend the lifespan of the meter. This not only reduces the need for frequent replacements but also contributes to cost savings in the long run.
- Regulatory Compliance: Proper grounding of electrical meters is often a requirement to comply with electrical safety regulations and standards. Regulatory bodies typically mandate the use of effective grounding systems to ensure the safety and reliability of electrical installations, including metering equipment. Compliance with these regulations is essential to avoid penalties and legal issues.
Dengan memahami pengaruh grounding pada meteran listrik, kita dapat lebih menghargai pentingnya menjaga sistem grounding yang baik dan efektif dalam instalasi listrik rumah tangga. Melakukan pemasangan grounding yang tepat dan berkualitas merupakan langkah penting untuk memastikan kinerja yang optimal dari meteran listrik dan menjaga keandalan pengukuran energi listrik secara keseluruhan.
Cara Membuat Skema Grounding Listrik
Membuat skema grounding listrik membutuhkan perencanaan yang matang dan pemilihan alat serta bahan yang tepat. Berikut adalah langkah-langkah umum yang dapat diikuti untuk membuat skema grounding listrik yang efektif:
- Identifikasi Posisi Ground Rod: Langkah pertama adalah menentukan lokasi yang tepat untuk menanam ground rod. Lokasi ideal untuk ground rod adalah di dekat panel listrik utama atau tempat masuknya kabel listrik ke bangunan.
- Pilih Ground Rod yang Tepat: Pilihlah ground rod yang terbuat dari bahan yang baik konduktif seperti tembaga atau baja tahan karat. Ground rod yang baik akan memastikan kontak yang baik dengan tanah dan mengurangi resistansi grounding.
- Persiapkan Kabel Grounding: Gunakan kabel grounding yang memiliki ukuran dan panjang yang sesuai dengan kebutuhan sistem listrik. Pastikan kabel grounding terbuat dari bahan yang berkualitas dan tahan terhadap korosi.
- Koneksikan Ground Rod ke Panel Listrik: Hubungkan ground rod dengan panel listrik utama menggunakan kabel grounding yang sesuai. Pastikan sambungan tersebut kuat dan aman untuk menghindari kebocoran arus.
- Uji Kontinuitas Grounding: Setelah pemasangan selesai, lakukan uji kontinuitas grounding untuk memastikan bahwa grounding berfungsi dengan baik. Gunakan alat uji seperti ohmmeter untuk mengukur resistansi grounding dan pastikan nilainya dalam batas yang aman.
- Lakukan Pemeliharaan Berkala: Agar grounding tetap efektif, lakukan pemeliharaan berkala dengan memeriksa kondisi ground rod dan kabel grounding secara rutin. Pastikan tidak ada korosi atau kerusakan yang dapat mengganggu kinerja grounding.
Tips Memasang Grounding Listrik
- Konsultasikan dengan Ahli: Jika Anda tidak yakin atau tidak memiliki pengalaman dalam memasang grounding listrik, sebaiknya konsultasikan dengan ahli listrik untuk mendapatkan saran dan bantuan yang tepat.
- Pastikan Kebutuhan Listrik Terpenuhi: Sebelum memasang grounding, pastikan bahwa kebutuhan listrik rumah tangga atau bangunan telah dipenuhi dengan baik. Hal ini termasuk memastikan panel listrik utama dan peralatan listrik lainnya berfungsi dengan baik.
- Pilih Bahan Berkualitas: Gunakan bahan-bahan berkualitas tinggi untuk memastikan grounding listrik berfungsi dengan baik dan tahan lama. Hindari penggunaan bahan yang murah atau berkualitas rendah yang dapat mengurangi efektivitas grounding.
- Perhatikan Lingkungan sekitar: Saat memilih lokasi untuk ground rod, perhatikan juga kondisi lingkungan sekitar seperti kelembaban tanah dan tingkat korosi. Pilih lokasi yang tidak rentan terhadap masalah ini untuk memastikan grounding berlangsung optimal.
- Ikuti Pedoman dan Peraturan: Pastikan untuk mematuhi semua pedoman dan peraturan yang berlaku dalam memasang grounding listrik. Hal ini penting untuk menjaga keamanan dan kinerja sistem listrik secara keseluruhan.
Kesimpulan
Grounding listrik merupakan aspek penting dalam instalasi listrik yang tidak boleh diabaikan. Dengan grounding yang baik dan tepat, Anda dapat melindungi peralatan elektronik, memastikan kinerja sistem listrik yang stabil, dan menjaga keselamatan pengguna. Dengan memahami konsep grounding listrik, memilih bahan dan alat yang tepat, serta mengikuti langkah-langkah pemasangan dengan benar, Anda dapat memastikan bahwa grounding listrik di rumah atau bangunan Anda berfungsi dengan optimal.


