Dalam dunia otomotif, keselamatan dan kenyamanan berkendara sangatlah penting. Salah satu aspek penting yang sering diabaikan adalah pencahayaan kendaraan, terutama pada lampu kepala. Rangkaian lampu kepala yang efisien tidak hanya meningkatkan jarak pandang Anda di malam hari, tetapi juga membantu kendaraan lain untuk melihat Anda dengan lebih jelas. Salah satu cara untuk meningkatkan performa lampu kepala adalah dengan menggunakan relay. Relay adalah komponen elektronik yang memungkinkan arus listrik besar dialirkan dengan menggunakan arus yang lebih kecil. Dalam konteks pencahayaan kendaraan, penggunaan relay memungkinkan aliran listrik yang lebih stabil dan kuat menuju lampu kepala, sehingga menghasilkan pencahayaan yang lebih terang dan konsisten. Dengan menggabungkan rangkaian lampu kepala Anda dengan relay, Anda dapat menghindari masalah seperti penurunan pencahayaan yang disebabkan oleh resistansi kabel yang tinggi atau penggunaan switch yang kurang efisien. Selain itu, penggunaan relay juga membantu melindungi switch lampu utama kendaraan Anda dari keausan yang berlebihan, memperpanjang umur pakai komponen tersebut. Jadi, jika Anda ingin meningkatkan pencahayaan kendaraan Anda dan meningkatkan keselamatan berkendara Anda di malam hari. Dalam artikel ini, Elektronike.id akan mengeksplorasi lebih lanjut tentang rangkaian lampu kepala dengan relay. Temukan bagaimana cara menginstalnya dan manfaat apa yang dapat Anda dapatkan. Mari tingkatkan pengalaman berkendara Anda dengan pencahayaan yang lebih baik dan aman!
Sekilas tentang Rangkaian Lampu Kepala dengan Relay
Rangkaian lampu kepala dengan relay adalah solusi cerdas yang dapat meningkatkan efisiensi dan keandalan sistem lampu kendaraan. Dengan menggunakan relay, kita dapat mengontrol daya yang diperlukan untuk menyalakan lampu kepala sehingga memperpanjang umur lampu dan mencegah kegagalan sistem. Artikel ini akan menjelaskan secara rinci tentang cara kerja, alat dan bahan yang dibutuhkan, cara pembuatan, keunggulan, fungsi, tips, dan kesimpulan tentang rangkaian lampu kepala dengan relay.
Cara Kerja Lampu Kepala dengan Relay
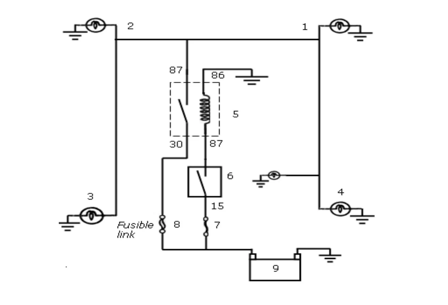
Lampu kepala dengan relay adalah salah satu konfigurasi umum yang digunakan dalam sistem lampu kendaraan. Relay adalah perangkat elektromekanis yang berfungsi sebagai sakelar elektrik yang dikendalikan oleh arus listrik. Cara kerja lampu kepala dengan relay adalah sebagai berikut:
- Input Power: Sumber daya listrik dari baterai kendaraan diterapkan pada koneksi input relay. Ini adalah sumber daya yang digunakan untuk mengaktifkan relay.
- Kontrol Switch: Relay biasanya dikendalikan oleh saklar atau switch yang terhubung dengan sistem lampu. Ketika pengemudi menyalakan lampu, saklar ini memberikan sinyal ke relay untuk mengaktifkan lampu.
- Aktivasi Relay: Ketika relay menerima sinyal dari saklar, koil elektromagnetik di dalam relay akan diaktifkan. Ini menghasilkan medan magnet yang menarik kontak dalam relay untuk menutup, menciptakan sirkuit listrik baru.
- Koneksi Lampu: Ketika kontak relay menutup, arus listrik dari baterai dialirkan melalui relay ke lampu kepala. Ini menyebabkan lampu kepala menyala.
- Mengatur Arus Listrik: Penggunaan relay memungkinkan arus listrik dari baterai untuk dialirkan melalui kabel yang lebih kecil dan lebih mudah diatur, karena relay dapat menangani arus yang lebih tinggi daripada saklar biasa.
- Pemutusan Sirkuit: Ketika lampu dimatikan, sinyal ke relay diputuskan, menghentikan aliran arus listrik ke koil elektromagnetik. Ini menyebabkan medan magnet menghilang, dan kontak dalam relay kembali ke posisi awalnya, membuka sirkuit listrik yang mengarah ke lampu kepala. Sebagai hasilnya, lampu kepala dimatikan.
Dengan menggunakan relay, lampu kepala dapat diaktifkan dan dimatikan dengan menggunakan saklar atau switch yang memungkinkan pengemudi untuk mengontrolnya tanpa perlu langsung menangani arus listrik yang besar dari baterai. Ini meningkatkan keamanan dan kemudahan penggunaan sistem lampu kendaraan.
Cara Membuat Lampu Kepala dengan Relay
Untuk membuat lampu kepala dengan relay, Anda akan membutuhkan beberapa komponen dan pemahaman dasar tentang kelistrikan. Berikut adalah langkah-langkah umum untuk membuat lampu kepala menggunakan relay:
Komponen yang Dibutuhkan:
- Lampu Kepala: Lampu utama yang ingin Anda kontrol.
- Relay: Sebuah switch elektronik yang dapat digunakan untuk mengontrol aliran listrik ke lampu.
- Saklar atau Tombol: Untuk mengontrol relay (opsional).
- Baterai atau Sumber Daya: Sumber listrik untuk mengoperasikan sistem.
Langkah-langkah:
- Pilih Relay yang Sesuai: Pastikan relay yang Anda pilih cocok dengan kebutuhan daya listrik lampu Anda. Relay memiliki rating yang berbeda untuk tegangan dan arus.
- Hubungkan Relay ke Sumber Daya: Sambungkan kabel positif dari sumber daya (biasanya baterai) ke terminal positif pada relay, dan kabel negatif ke terminal negatif pada relay. Pastikan polaritasnya benar.
- Hubungkan Lampu Kepala ke Relay: Sambungkan kabel positif dari lampu ke terminal output relay (biasanya ditandai sebagai NO – Normally Open). Sambungkan kabel negatif dari lampu ke ground atau terminal negatif sumber daya.
- Kendalikan Relay dengan Saklar (Opsional): Jika Anda ingin mengontrol lampu dengan saklar, sambungkan saklar ke terminal kontrol relay (biasanya ditandai sebagai IN atau kontrol). Ketika saklar ditekan, itu akan mengaktifkan relay, yang kemudian akan mengalirkan listrik ke lampu. Pastikan saklar Anda sesuai dengan daya yang ditoleransi oleh relay.
- Uji Sistem: Setelah semua komponen terhubung, uji sistem dengan menghidupkan sumber daya dan mengaktifkan saklar jika digunakan. Pastikan lampu menyala sesuai yang diharapkan dan relay berfungsi dengan baik.
- Pasang dan Aman: Setelah uji coba berhasil, pastikan semua kabel terpasang dengan aman dan terisolasi dengan baik. Pasang lampu kepala sesuai kebutuhan dan pastikan semua koneksi aman.
Catatan Penting:
- Pastikan untuk memahami arus dan tegangan yang diperlukan oleh lampu dan relay untuk menghindari kelebihan beban atau bahaya listrik.
- Selalu gunakan komponen yang berkualitas baik dan pastikan untuk mengikuti petunjuk pemasangan yang disediakan oleh produsen.
- Jika Anda tidak yakin, konsultasikan dengan seorang ahli listrik atau teknisi untuk bantuan tambahan. Keselamatan adalah prioritas utama.
Keunggulan Lampu Kepala dengan Relay
Lampu kepala dengan relay memiliki beberapa keunggulan yang membuatnya menjadi pilihan yang baik untuk diterapkan pada kendaraan Anda:
- Meningkatkan Umur Lampu: Dengan mengontrol aliran listrik menggunakan relay, lampu kepala akan mengalami sedikit tekanan pada saat menyalakan dan mematikan, yang dapat memperpanjang umur lampu.
- Meningkatkan Efisiensi: Dengan memisahkan sirkuit lampu dari saklar utama, relay memungkinkan arus listrik untuk mengalir langsung dari baterai ke lampu, meningkatkan efisiensi keseluruhan sistem.
- Mencegah Overload: Relay membantu mencegah overload pada saklar utama dengan menangani aliran listrik menuju lampu kepala secara terpisah.
- Kinerja yang Lebih Konsisten: Dengan mengurangi beban pada saklar utama, lampu kepala dengan relay dapat memberikan kinerja yang lebih konsisten dan dapat diandalkan.
Fungsi Lampu Kepala dengan Relay
Lampu kepala dengan relay memiliki beberapa fungsi penting:
- Kendali Listrik yang Efisien: Relay memungkinkan kendali listrik yang efisien. Dengan menggunakan relay, Anda dapat mengontrol arus yang lebih besar dengan menggunakan sinyal kontrol yang lebih kecil, seperti dari saklar atau sistem otomatisasi.
- Proteksi Saklar: Dengan menggunakan relay, saklar atau tombol pengendali tidak perlu menangani arus listrik yang tinggi langsung. Ini dapat meningkatkan umur saklar dan mengurangi risiko kegagalan atau kerusakan yang disebabkan oleh arus tinggi.
- Pemutusan Otomatis: Relay sering kali dilengkapi dengan fitur pemutusan otomatis. Jika terjadi kondisi yang tidak diinginkan, seperti arus lebih atau tegangan berlebih, relay dapat memutuskan arus listrik untuk melindungi sistem dari kerusakan lebih lanjut.
- Kemampuan untuk Memasang Lampu Tambahan: Dengan menggunakan relay, Anda dapat dengan mudah menambahkan lampu tambahan atau perangkat lain ke dalam sistem lampu kepala. Ini memungkinkan untuk peningkatan fleksibilitas dalam pengaturan lampu sesuai dengan kebutuhan pengguna.
- Pengontrolan yang Terpisah: Relay memungkinkan pengontrolan yang terpisah antara saklar atau tombol pengendali dan lampu itu sendiri. Ini berarti Anda dapat menempatkan saklar di lokasi yang nyaman tanpa harus mengalirkan kabel listrik yang panjang ke lampu itu sendiri.
- Efisiensi Energi: Dengan menggunakan relay, Anda dapat memastikan bahwa daya listrik hanya digunakan ketika diperlukan. Ini membantu meningkatkan efisiensi energi dan mengurangi konsumsi listrik yang tidak perlu.
Secara keseluruhan, penggunaan relay dalam sistem lampu kepala membantu meningkatkan efisiensi, keamanan, dan fleksibilitas sistem tersebut.
Tips Membuat Rangkaian Lampu Kepala dengan Relay
Berikut adalah beberapa tips untuk membuat rangkaian lampu kepala dengan relay yang baik dan andal:
- Gunakan Komponen Berkualitas: Pastikan untuk menggunakan relay dan komponen lainnya yang berkualitas tinggi untuk memastikan kinerja sistem yang optimal.
- Periksa Koneksi Secara Berkala: Lakukan pemeriksaan rutin terhadap semua koneksi dan komponen untuk memastikan tidak ada kebocoran arus atau kerusakan yang dapat mengganggu kinerja sistem.
- Ikuti Petunjuk dengan Tepat: Ikuti petunjuk pemasangan dan penggunaan relay serta komponen lainnya dengan tepat untuk memastikan keamanan dan kinerja sistem.
- Perhatikan Posisi Pemasangan: Pasang relay dan komponen lainnya di tempat yang aman dan terlindungi dari elemen lingkungan yang dapat merusak.
Kesimpulan
Rangkaian lampu kepala dengan relay adalah solusi cerdas yang dapat meningkatkan efisiensi dan keandalan sistem lampu kendaraan. Dengan mengontrol aliran listrik menggunakan relay, kita dapat memperpanjang umur lampu, meningkatkan efisiensi sistem, dan mengurangi risiko kegagalan. Dengan mengikuti petunjuk yang tepat dan menggunakan komponen berkualitas, Anda dapat membuat rangkaian lampu kepala dengan relay yang andal dan aman untuk digunakan pada kendaraan Anda.


