Dalam dunia elektronika, kestabilan pasokan daya adalah kunci utama untuk memastikan kinerja yang optimal dari berbagai perangkat. Salah satu solusi yang umum digunakan untuk memenuhi kebutuhan ini adalah dengan menggunakan power supply simetris. Tetapi, apa sebenarnya yang dimaksud dengan “simetris” dalam konteks ini, dan mengapa penting untuk dipahami? Rangkaian power supply simetris adalah sistem pasokan daya yang mampu menyediakan tegangan yang sama baik positif maupun negatif secara simultan. Dengan kata lain, voltase positif dan negatif dipasok secara seimbang, menciptakan kondisi yang stabil bagi perangkat elektronik yang membutuhkan dual rail atau sumber daya simetris. Keunggulan dari sistem ini terletak pada kemampuannya untuk menghilangkan bias DC dan menghasilkan sinyal AC yang bersih, yang sangat penting dalam banyak aplikasi elektronik seperti audio amplifiers, pemrosesan sinyal, dan perangkat lainnya. Dalam artikel ini, Elektronike.id akan membahas lebih lanjut tentang prinsip kerja, komponen utama, dan manfaat dari rangkaian power supply simetris. Dengan memahami dasar-dasar ini, Anda akan dapat mengoptimalkan kinerja perangkat elektronik Anda dan meningkatkan kehandalan sistem secara keseluruhan. Jangan lewatkan kesempatan untuk mengeksplorasi lebih dalam tentang power supply simetris dan bagaimana hal itu dapat meningkatkan proyek elektronik Anda. Mari kita jelajahi dunia kestabilan pasokan daya bersama-sama!
Mengenal Rangkaian Power Supply Simetris
Rangkaian power supply simetris memainkan peran yang vital dalam mendukung berbagai aplikasi elektronika yang membutuhkan penyediaan tegangan positif dan negatif secara seimbang. Dengan menggunakan komponen seperti transformator, dioda bridge, kapasitor, dan regulator tegangan, power supply simetris mampu menghasilkan keluaran tegangan yang stabil dan sesuai dengan kebutuhan. Hal ini sangat penting terutama dalam aplikasi seperti penguat audio, di mana keseimbangan tegangan positif dan negatif menjadi kunci dalam menghasilkan kualitas suara yang baik dan mengurangi distorsi.
Pemahaman yang mendalam tentang konsep dan fungsi power supply simetris menjadi kunci dalam merancang dan mengimplementasikan sistem elektronika yang efisien dan handal. Dengan memastikan bahwa komponen-komponen dalam rangkaian bekerja dengan baik dan tegangan keluaran tetap stabil, kita dapat menghindari masalah seperti overheating, kerusakan perangkat, atau gangguan dalam kinerja sistem secara keseluruhan. Oleh karena itu, power supply simetris tidak hanya merupakan elemen pendukung, tetapi juga merupakan fondasi yang kokoh dalam mendukung berbagai aplikasi elektronika modern.
Komponen Power Supply Simetris
Sebelum memahami secara mendalam tentang rangkaian power supply simetris, ada baiknya kita mengenal beberapa komponen utama yang terdapat di dalamnya. Beberapa komponen utama tersebut antara lain:
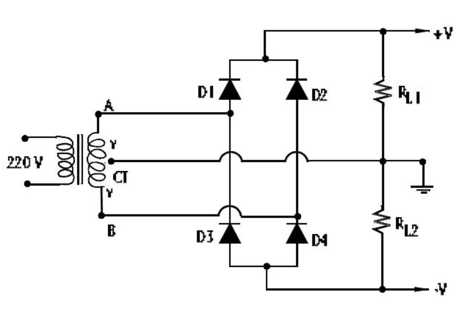
- Transformator: Transformator adalah komponen yang berfungsi untuk mengubah tegangan listrik dari satu tingkat ke tingkat lainnya. Pada power supply simetris, transformator ini penting untuk menghasilkan dua keluaran tegangan yang simetris, yaitu positif dan negatif.
- Dioda Bridge: Dioda bridge adalah rangkaian dioda yang tersusun dalam bentuk jembatan dan berfungsi untuk melakukan penyearahan arus bolak-balik (AC) menjadi arus searah (DC). Dalam power supply simetris, dioda bridge ini digunakan untuk merubah arus AC menjadi DC sehingga dapat diatur menjadi tegangan positif dan negatif.
- Kapasitor: Kapasitor berfungsi untuk menyimpan energi listrik dan meratakan tegangan yang keluar dari dioda bridge. Kapasitor ini membantu mengurangi fluktuasi tegangan dan menjaga tegangan keluaran agar tetap stabil.
- Regulator Tegangan: Regulator tegangan adalah komponen yang digunakan untuk mengatur dan menjaga tegangan keluaran sesuai dengan yang diinginkan. Dalam power supply simetris, regulator tegangan digunakan untuk mengatur tegangan positif dan negatif agar tetap stabil.
Fungsi Power Supply Simetris
Power supply simetris memiliki beberapa fungsi utama, antara lain:
- Memberikan Tegangan Positif dan Negatif: Fungsi utama dari power supply simetris adalah untuk memberikan tegangan positif dan negatif secara seimbang. Hal ini penting terutama dalam aplikasi elektronika yang memerlukan kedua jenis tegangan tersebut, seperti pada amplifier audio.
- Menjaga Stabilitas Tegangan: Power supply simetris juga berfungsi untuk menjaga stabilitas tegangan keluaran sehingga perangkat elektronik yang terhubung dapat beroperasi dengan baik dan tidak rusak akibat fluktuasi tegangan yang besar.
- Mengurangi Noise: Dengan menyediakan tegangan positif dan negatif yang seimbang, power supply simetris dapat membantu mengurangi noise atau gangguan yang mungkin terjadi pada sinyal listrik.
Prinsip Kerja Power Supply Simetris
Prinsip kerja dari power supply simetris didasarkan pada konversi tegangan listrik dari satu tingkat ke tingkat lainnya dengan cara yang seimbang. Berikut adalah prinsip kerja umum dari power supply simetris:
- Transformasi Tegangan: Pada awalnya, tegangan listrik dari sumber masukan diubah melalui transformator menjadi tegangan yang sesuai dengan kebutuhan, biasanya lebih tinggi dari tegangan yang diinginkan.
- Penyearahan Arus: Arus listrik yang sudah diubah menjadi tegangan bolak-balik (AC) kemudian diteruskan melalui dioda bridge untuk melakukan penyearahan arus menjadi arus searah (DC).
- Pengaturan Tegangan: Setelah itu, tegangan yang sudah diubah menjadi DC akan disaring dan diatur menggunakan komponen seperti kapasitor dan regulator tegangan sehingga mendapatkan tegangan positif dan negatif yang stabil dan seimbang.
- Penyediaan Output: Tegangan positif dan negatif yang sudah diatur kemudian disediakan sebagai output dari power supply simetris untuk digunakan pada perangkat elektronik yang membutuhkan.
Jenis Power Supply Simetris Lain Yang Perlu Diketahui
Power supply simetris adalah jenis power supply yang menghasilkan tegangan DC yang sama besarnya tetapi berlawanan polaritasnya terhadap ground. Biasanya, ini digunakan dalam aplikasi elektronika yang memerlukan tegangan positif dan negatif yang simetris, seperti pada amplifier audio, pemrosesan sinyal, dan sebagainya. Berikut adalah beberapa hal yang perlu diketahui tentang power supply simetris:
- Konfigurasi: Power supply simetris biasanya terdiri dari dua sumber tegangan DC yang identik, tetapi berlawanan polaritasnya. Misalnya, Anda bisa memiliki +12V dan -12V.
- Transformer: Transformer pada power supply simetris harus didesain khusus untuk menghasilkan dua keluaran yang berlawanan polaritasnya. Ini memerlukan dua gulungan primer dan dua gulungan sekunder.
- Bridge Rectifier: Untuk mengubah tegangan AC dari transformer menjadi tegangan DC, biasanya menggunakan jembatan dioda (bridge rectifier) yang terdiri dari empat dioda. Ini memastikan bahwa output dari kedua gulungan sekunder diubah menjadi tegangan DC positif dan negatif.
- Filtering: Seperti halnya power supply DC pada umumnya, power supply simetris memerlukan filter untuk menghilangkan komponen AC yang tersisa dan memberikan tegangan DC yang stabil.
- Regulasi: Regulasi tegangan penting untuk memastikan bahwa tegangan output tetap stabil terlepas dari variasi tegangan input atau beban. Penggunaan regulator tegangan seperti regulator linier atau switching diperlukan.
- Grounding: Grounding harus dikelola dengan hati-hati, terutama karena ada dua keluaran dengan polaritas yang berlawanan. Penting untuk memastikan bahwa ground dari sumber tegangan positif dan negatif terpisah dengan baik.
- Aplikasi: Power supply simetris umumnya digunakan dalam aplikasi elektronika yang memerlukan sinyal positif dan negatif yang simetris, seperti amplifier audio, pemrosesan sinyal, dan instrumentasi.
- Keamanan: Seperti halnya dengan semua sistem daya, keamanan adalah prioritas utama. Perlindungan dari kelebihan arus, kelebihan tegangan, dan perlindungan termal harus diterapkan.
Memahami karakteristik dan perangkat yang terlibat dalam power supply simetris penting untuk merancang dan menggunakan sistem daya ini dengan aman dan efisien.
Perbedaan Power Supply Simetris Dan Non Simetris
Perbedaan utama antara power supply simetris dan non-simetris terletak pada keluaran tegangan yang dihasilkan. Berikut adalah beberapa perbedaan antara keduanya:
- Tegangan Keluaran: Power supply simetris menghasilkan tegangan positif dan negatif secara seimbang, sedangkan power supply non-simetris hanya menghasilkan tegangan positif atau negatif saja.
- Aplikasi: Power supply simetris umumnya digunakan pada perangkat elektronik yang memerlukan kedua jenis tegangan, seperti amplifier audio, sementara power supply non-simetris biasanya digunakan pada perangkat yang hanya memerlukan satu jenis tegangan, seperti penguat sinyal.
- Kompleksitas: Rangkaian power supply simetris cenderung lebih kompleks dibandingkan dengan power supply non-simetris karena membutuhkan komponen tambahan untuk menghasilkan tegangan negatif.
Tips Sukses Pada Pengguna Rangkaian Power Supply Simetris
Untuk memastikan penggunaan rangkaian power supply simetris berjalan dengan lancar dan efisien, berikut beberapa tips yang dapat Anda terapkan:
- Pemilihan Komponen Berkualitas: Pastikan untuk memilih komponen-komponen berkualitas tinggi dan sesuai dengan kebutuhan spesifik rangkaian Anda.
- Perhitungan Tegangan dan Arus: Lakukan perhitungan tegangan dan arus dengan teliti agar sesuai dengan kebutuhan perangkat elektronik yang akan digunakan.
- Pemasangan yang Benar: Pastikan pemasangan komponen-komponen dalam rangkaian dilakukan dengan benar dan hati-hati untuk menghindari kerusakan atau konsleting yang dapat merusak perangkat.
- Penggunaan Pendingin: Jika diperlukan, tambahkan pendingin atau heatsink pada komponen-komponen yang menghasilkan panas seperti regulator tegangan untuk mencegah overheating.
- Pengujian Rutin: Lakukan pengujian rutin terhadap rangkaian power supply simetris untuk memastikan bahwa tegangan keluaran tetap stabil dan sesuai dengan yang diinginkan.
Kesimpulan
Rangkaian power supply simetris merupakan komponen penting dalam dunia elektronika yang memiliki fungsi untuk menyediakan tegangan positif dan negatif secara seimbang. Dengan pemahaman yang baik tentang komponen-komponen, prinsip kerja, jenis-jenis, dan perbedaannya dengan power supply non-simetris, serta penerapan tips sukses dalam penggunaannya, Anda dapat memastikan kinerja yang optimal dari perangkat elektronik yang Anda buat atau gunakan.


